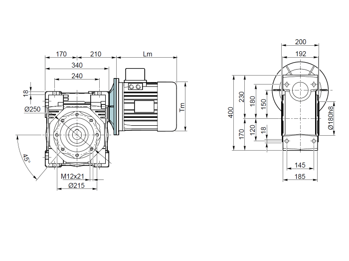
Reductor melcat 150 i=7.5 160B5 H50
Caracteristici Reductor melcat 150 i=7.5 160B5 H50:
- Gabarit: 160
- Raport: i=7.5
- Diametru ax motor: 42mm
- Diametru flansa: 350mm
- Tip flansa: B5-Flansa mare
- Diametru ax iesire: H50mm
Reductorul melcat 150 i=7.5 160B5 H50 este un dispozitiv mecanic ce este proiectat pentru reducerea vitezei de rotatie a unui motor sau a unei alte surse de energie. Acesta este cunoscut si sub denumirea de reductor de viteza.
Acest model are o raport de transmisie de 7.5, ceea ce inseamna ca pentru fiecare rotatie a axului de intrare, axul de iesire va face 7.5 rotatii. De asemenea, acest reductor are un gabarit de 160, ceea ce inseamna ca dimensiunile sale sunt de 160mm inaltime, latime si adancime.
Flansa mare de tip B5 are un diametru de 350mm, ceea ce inseamna ca acest reductor este potrivit pentru aplicatii care necesita o putere mare de transmisie, cum ar fi aplicatiile industriale sau cele din sectoarele maritim si offshore.
Diametrul axului motor este de 42mm, ceea ce il face potrivit pentru motoare cu o putere mai mare, iar diametrul flansei de iesire este de H50mm, ceea ce il face potrivit pentru cuplajul cu alte componente mecanice, cum ar fi roti dintate sau alte reductoare.
In concluzie, reductorul melcat 150 i=7.5 160B5 H50 este un dispozitiv robust, proiectat pentru aplicatii care necesita o putere mare de transmisie si o reducere semnificativa a vitezei de rotatie. Fiind un dispozitiv mecanic de inalta calitate, acest reductor poate fi utilizat cu succes in numeroase aplicatii in industrie si in alte domenii.


