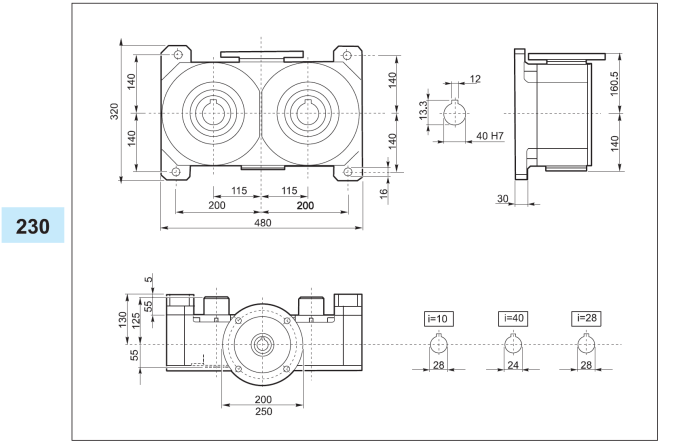
Caracteristici Reductor melcat cu iesire dubla VM 230 i=10 100/112B5:
- Diametru ax: 28mm;
- Intrare: Flansa;
- Putere motor: 5.5kw;
- Poli: 5.5kw;
- Gabarit: 112;
- Raport: i=10;
- Tip: VM 230;
Un reductor melcat cu iesire dubla VM 230 i=10 100/112B5 este un echipament care este conceput pentru a oferi o putere mare, în special în cazul în care este necesară o ieșire dublă. Acesta are un raport de transmitere de 10, ceea ce înseamnă că poate reduce mișcarea la o viteză mai mică, dar cu o putere mai mare.
Diametrul axului este de 28 mm, astfel încât acest echipament poate fi utilizat pentru a transfera puterea într-o varietate de aplicații. În plus, acesta are o intrare de flanșă și poate fi alimentat cu un motor de putere de 5,5 kW și 4 poli.
Eficacitatea acestui reductor este determinată de gabaritul său de 112, ceea ce înseamnă că poate fi folosit în spații restrânse și poate oferi o putere mai mare în raport cu dimensiunea sa.
În ceea ce privește performanța, acest reductor melcat cu ieșire dublă VM 230 are o clasă de protecție IP55, ceea ce înseamnă că este protejat împotriva prafului și a apei. Acest mod de protecție poate preveni deteriorările echipamentului și poate prelungi durata lui de viață.
Acest reductor melcat cu ieșire dublă VM 230 este un echipament puternic și eficient, ideal pentru a fi folosit într-o varietate de aplicații, cum ar fi în industria alimentară și în alte domenii unde este necesară o putere ridicată și o transmisie precisă a mișcării. În general, acest echipament reprezintă o investiție excelentă pentru orice companie care vizează creșterea eficienței și reducerea costurilor în domeniul producției.
