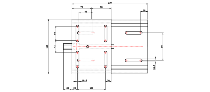
Caracteristici Sina fixare motor electric tip 307:
- Tip: 307;
- compatibila cu motor in gabarit: 90, 100 sau 112;
- Greutate: 4kg;
Fixarea unui motor electric tip 307 cu gabaritul de 90, 100 sau 112 poate fi realizată cu ajutorul kitului specializat pentru aceste motoare. Fixarea motorului electric este esențială pentru a preveni mișcarea și funcționarea defectuoasă a acestuia în timpul utilizării.
Primul pas în fixarea motorului este asigurarea că suprafața de montare este curată și plană pentru a evita instalarea acestuia într-o poziție neadecvată. Apoi, este important să se verifice dacă kitul de fixare este compatibil cu motorul electric tip 307 și să se utilizeze instrucțiunile de instalare oferite de producătorul kitului.
Kitul de fixare poate include o serie de elemente, cum ar fi șuruburi, piulițe, plăci de montaj și alte componente, pentru a asigura o fixare puternică. Odată ce kitul este instalat, motorul poate fi ușor montat pe componentele de fixare cu ajutorul șuruburilor și a piulițelor incluse.
Este important să se asigure că motorul este fixat cu strictețe la suprafața de montaj pentru a preveni mișcarea acestuia în timpul funcționării. În plus, trebuie să se acorde atenție dispunerii cablurilor electrice și a tuburilor de apă pentru a evita eventualele distrugeri ale acestora.
Fixarea motorului electric tip 307 cu gabaritul de 90, 100 sau 112 trebuie realizată cu atenție și cu ajutorul kitului specializat pentru a preveni eventualele daune și pentru a asigura o funcționare fiabilă și durabilă a motorului. Este recomandat să se urmeze cu strictețe instrucțiunile de instalare și să se asigure că motorul este instalat într-o poziție corectă și sigură pentru a se obține performanțe optime.


