Caracteristici Motor electric monofazat 0.37kw 1400rpm 71 B3:
- Putere: 0.37kw;
- Turatie: 4poli;
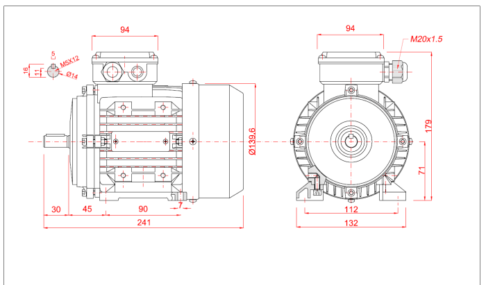
- Gabarit: 71;
- Diametru AX: 14mm;
- Fixare: Talpa;
- Prindere: B3;
- Bobinaj: Cupru;
- Carcasa: aluminiu;
- Bobinaj: Cupru;
- uz industrial;
- 8kg;
Un motor electric monofazat 0.37kw 1400rpm 71 B3 este un dispozitiv utilizat pentru a transforma energia electrică în energie mecanică, capabil să producă o putere de 0.37 kW și o turatație de 1400rpm.
Acest tip de motor este ideal pentru utilizarea în aplicații care necesită o putere mai mică, cum ar fi pompe, ventilatoare, compresoare sau mașini unelte mici.
Motorul este prevăzut cu 71 de borne, care reprezintă dimensiunea carcasei motorului în milimetri, și este conectat la o sursă monofazată de alimentare electrică.
Puterea maximă pe care o poate produce acest motor este de 0.37 kW, ceea ce înseamnă că poate fi utilizat în aplicații cu cerințe energetice reduse.
Turatația de 1400 rpm indică viteza rotorului motorului. Un motor cu o turatație mai mare are o putere de ieșire mai mare, dar are și nevoie de energie electrică mai multă pentru a funcționa.
O turatație mai mică poate fi mai eficientă în anumite aplicații, cum ar fi cele care necesită un control precis al vitezei.
Diametrul axului motorului este de 14mm, ceea ce indica dimensiunea arborelui ce iese din motor. Acesta poate fi utilizat pentru a conecta motorul la alte dispozitive sau pentru a utiliza accesorii.
Motorul are o fixare pe talpa pentru a putea fi montat și susținut mai ușor în aplicația dorită.
In concluzie, acest motor electric monofazat este o opțiune excelentă pentru aplicații care necesită o putere mai mică și o turatație constantă.
Fiind ușor de instalat și de utilizat, poate fi folosit în diverse aplicații industriale sau comerciale.

| Gabarit motor | Putere motor | Turatie nominala | 230V | (ƞ) | (Cos ɸ) | Valori de cuplu | J | Greutate | |||||
| Amperaj | 100% | 100% | is | Cs | Cm | Cn | Kgm2 | ||||||
| in | Cn | Cn | (Nm) | ||||||||||
| M63b | 0.12kw | 0.16HP | 1360rot/min | 1.2A | 55,0 | 0,79 | 5μF | 2,15 | 0,6 | 1,65 | 0,8 | 0,00024 | 4.1kg |
| M63c | 0.18kw | 0.2HP | 1360rot/min | 1.4A | 60,0 | 0,93 | 6,3μF | 2 | 0,6 | 1,6 | 1,3 | 0,00029 | 4.4kg |
| M63d | 0.25kw | 0.3HP | 1360rot/min | 2A | 56,0 | 0,97 | 8μF | 2,1 | 0,6 | 1,8 | 1,8 | 0,00034 | 4.7kg |
| M71b | 0.25kw | 0.3HP | 1380rot/min | 1.9A | 60,0 | 0,95 | 12,5μF | 2,5 | 0,8 | 1,8 | 1,7 | 0,00088 | 5kg |
| M71c | 0.37kw | 0.5HP | 1380rot/min | 2.7A | 65,0 | 0,92 | 16μF | 2,7 | 0,7 | 1,7 | 2,6 | 0,00117 | 7kg |
| M71e | 0.55kw | 0.7HP | 1380rot/min | 3.9A | 66,0 | 0,93 | 18μF | 2,8 | 0,8 | 1,7 | 3,8 | 0,0015 | 8kg |
| M80b | 0.55kw | 0.7HP | 1390rot/min | 3.8A | 68,0 | 0,98 | 20μF | 2,5 | 0,6 | 1,75 | 3,8 | 0,0024 | 9.2kg |
| M80c | 0.75kw | 1.0HP | 1390rot/min | 5.3A | 62,0 | 0,99 | 25μF | 2,8 | 0,7 | 1,85 | 5,2 | 0,0028 | 10.5kg |
| M90Lb | 1.1kw | 1.5HP | 1390rot/min | 7.8A | 64,0 | 0,96 | 35μF | 2,8 | 0,65 | 1,8 | 7,6 | 0,0032 | 14.5kg |
| M90Lc | 1.5kw | 2.04HP | 1390rot/min | 10A | 72,0 | 0,91 | 50μF | 3,2 | 0,66 | 1,9 | 10,3 | 0,0044 | 15kg |
| M90Le | 2.2kw | 2.992HP | 1380rot/min | 13.5A | 72,0 | 0,98 | 60μF | 2,8 | 0,6 | 2,05 | 15,2 | 0,0044 | 18kg |
| M100Lb | 2.2kw | 2.992HP | 1400rot/min | 13.5A | 76,0 | 0,93 | 80μF | 3,3 | 0,65 | 1,8 | 15,0 | 0,0066 | 20kg |
| M112Mb | 3kw | 4.08HP | 1410rot/min | 17.8A | 78,0 | 0,94 | 100μF | 3,4 | 0,6 | 2,2 | 20,3 | 0,0113 | 25kg |
Aceste informații detaliate despre dimensiunile și specificațiile tehnice ale acestui motor monofazat, ce pot fi folosite pentru a îmbunătăți descrierea produselor de pe site-ul aLLindustriaL.ro, oferind clienților toate detaliile necesare pentru a face alegerea potrivită.

