Când aplicația dumneavoastră industrială necesită un cuplu de pornire excelent, o funcționare ultra-lină și o viteză foarte redusă, motorul electric trifazat 0.25kw 750rpm 80 B3 este soluția tehnică specializată. Proiectat pentru fiabilitate maximă în aplicații care implică sarcini grele la viteze mici, acest motor este alegerea perfectă pentru acționarea directă a reductoarelor, a malaxoarelor pentru materiale vâscoase și a utilajelor unde forța și controlul precis sunt esențiale.
Construcția sa clasică cu montaj pe tălpi (B3) asigură o instalare simplă și robustă pe orice platformă, oferind flexibilitate maximă în integrare. Carcasa din aluminiu și bobinajul de cupru garantează o răcire optimă și un randament energetic superior, în timp ce alimentarea trifazată îi conferă o operare silențioasă și o durată de viață extinsă.
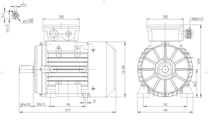
Avantaje Principale
- Cuplu Excelent la Turație Foarte Redusă: Cele 750 de rotații pe minut (8 poli) sunt ideale pentru aplicații care necesită forță mare de antrenare de la pornire și o mișcare lentă, dar puternică.
- Funcționare Lină și Fără Vibrații: Numărul mare de poli asigură o rotație extrem de constantă, esențială pentru amestecarea omogenă sau pentru transportul materialelor sensibile.
- Montaj Standardizat și Versatil (B3): Prinderea pe tălpi este cea mai comună și flexibilă metodă de montaj, permițând o instalare rapidă și o aliniere ușoară.
- Construcție Fiabilă și Durabilă: Realizat cu o carcasă de aluminiu și bobinaj din cupru, motorul este proiectat pentru funcționare continuă (serviciu S1). Gradul de protecție IP55 îl face rezistent la praf și la jeturi de apă.
Specificații Tehnice Motor electric trifazat 0.25kw 750rpm 80 B3
Aplicații Ideale pentru Modelul 80 B3 (750rpm)
Acest motor cu turație foarte redusă este proiectat pentru a excela în următoarele aplicații:
- Malaxoare pentru materiale vâscoase: Amestecarea lentă și puternică a adezivilor, mortarelor sau a altor compuși denși.
- Benzi transportoare foarte lente: Pentru cuptoare de tratament termic, linii de uscare sau procese care necesită un timp de expunere îndelungat.
- Pompe cu melc sau peristaltice: Pentru dozarea precisă și lentă a fluidelor.
- Acționări pentru rotisoare industriale sau alte sisteme de rotație lentă.
- Utilaje agricole speciale: Acționarea mecanismelor care necesită o mișcare lentă și controlată.
Ghid de Alegere Corectă
Asigurați-vă că platforma de montaj a echipamentului dumneavoastră este compatibilă cu un motor cu prindere pe tălpi (B3) și gabarit 80. Verificați dimensiunile și distanța între găurile de fixare pentru o potrivire perfectă. Dacă aplicația necesită o cuplare directă pe fața utilajului, vă recomandăm varianta cu flanșă mică (B14) sau cu flanșă mare (B5).
Contactați echipa noastră de specialiști pentru consultanță tehnică și pentru a vă asigura că alegeți motorul perfect pentru aplicația dumneavoastră.


