Motor electric trifazat 0.37kw 3000rpm 71 B14 IE2 aLL
Acest motor electric trifazat 0.37kw 3000rpm 71 B14 IE2 aLL se încadrează în Clasa de eficiență IE2 (High Efficiency) și este proiectat pentru aplicații industriale care necesită turație ridicată și consum optimizat de energie. Montajul pe flanșă mică (B14) permite o cuplare directă, rigidă și compactă la diverse utilaje .
Carcasa din Aluminiu (Gabarit 71) asigură o greutate redusă (~6 kg) și o disipare eficientă a căldurii, ideală pentru spații limitate. Bobinajul din cupru și standardul IE2 oferă un randament îmbunătățit (70% la sarcină maximă), contribuind activ la reducerea costurilor energetice. Cu un cuplu nominal de 1.25 Nm și o turație de lucru de 2820 rot/min, reprezintă o soluție performantă și fiabilă pentru acționări rapide.
Caracteristici Cheie Motor electric trifazat 0.37kw 3000rpm 71 B14 IE2 aLL
-
Eficiență Energetică IE2: Randamentul certificat de 70% (la sarcină maximă) reduce activ consumul de energie și costurile de operare, comparativ cu motoarele standard.
-
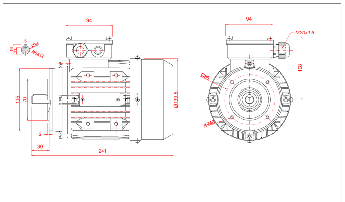
Montaj Compact B14: Flanșa standardizată (diametru centrare 70 mm) cu ax de Ø14 mm permite cuplare directă și precisă pe corpul utilajului, optimizând spațiul.
-
Putere Standard: 0.37 kW, potrivită pentru o gamă largă de pompe și ventilatoare cu cuplare directă B14, la o turație nominală de 2820 min-1.
-
Durabilitate și Protecție: Etanșat la standard IP55 și echipat cu protecție termică PTC 120 °C (Termistor). Utilizează rulmenți NSK 6202-ZZ-C3 pentru o durată de viață extinsă.
-
Construcție Ușoară: Gabaritul 71 din Aluminiu (6 kg) facilitează răcirea eficientă și manipularea.
-
Performanță Stabilă: Livrează un cuplu nominal de 1.25 Nm și are un factor de putere bun (cos φ 0.79).
Specificații Tehnice Motor electric trifazat 0.37kw 3000rpm 71 B14 IE2 aLL
| Caracteristică | Valoare |
| Putere motor | 0.37 kW |
| Turație Nominală (50 Hz) | 2820 rot/min |
| Cuplu Nominal (Torque) | 1.25 Nm |
| Curent Nominal (400 V) | 0.97 A |
| Tensiune (50 Hz) | 230 V (Delta) / 400 V (Y) |
| Gabarit (Frame size) | 71 |
| Tip montaj | Flanșă mică (B14) |
| Diametru ax | 14 mm |
| Diametru flanșă | 105 mm |
| Clasă de eficiență | IE2 |
| Randament (100% sarcină) | 70 % |
| Factor de putere (50 Hz) | 0.79 |
| Grad de protecție | IP55 |
| Greutate | 6 kg |
| Bobinaj | Cupru |
Aplicații Recomandate
Acest model cu eficiență IE2 și montaj B14 este ideal pentru:
-
Echipamente de Fluidizare: Pompe centrifugale, ventilatoare axiale și suflante în funcționare continuă.
-
Automatizări: Mașini de ambalat, etichetat sau dozat cu cuplare directă și cicluri lungi de operare.
-
Echipamente de Procesare: Agitatoare mici și medii, unde eficiența energetică și montajul compact sunt importante.
Alegeți motorul de 0.37 kW (IE2) cu montaj compact B14. Contactați-ne pentru consultanță!


