Motor electric trifazat 0.75kw 3000rpm 80 B3 IE2 aLL
Acest motor electric trifazat 0.75kw 3000rpm 80 B3 IE2 aLL oferă un avantaj tehnic distinct: construcția supradimensionată pe Gabarit 80, combinată cu eficiența energetică IE2 (High Efficiency). Proiectat pentru aplicații industriale care necesită o turație ridicată (~3000 rot/min) și o stabilitate mecanică superioară, acest motor este alegerea ideală atunci când durabilitatea și costurile reduse de operare sunt prioritare.
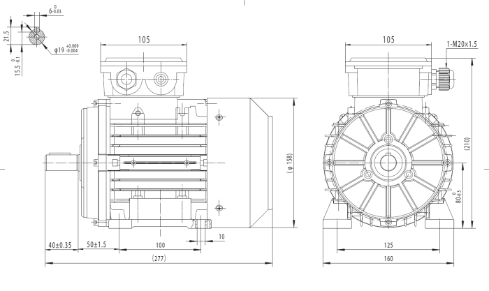
Montajul clasic pe talpă (B3) asigură o fixare solidă pe orice platformă, iar carcasa din Aluminiu menține o greutate optimizată (~10 kg) pentru dimensiunile sale, oferind o răcire excelentă. Datorită standardului IE2, motorul livrează performanță constantă cu un cuplu nominal de ~2.5 Nm și un consum redus de energie. Echipat cu un ax de transmisie de 19 mm, este mult mai rezistent la forțele radiale decât variantele compacte.
Caracteristici Cheie Motor electric trifazat 0.75kw 3000rpm 80 B3 IE2 aLL
-
Eficiență Energetică (IE2): Reduce costurile operaționale datorită unui randament estimat de 77%, transformând energia mai eficient și generând mai puțină căldură reziduală.
-
Robustețe Extremă (Gabarit 80): Construcția pe un cadru mai mare (80 vs 71) permite o răcire superioară și o rezistență mecanică crescută la vibrații și șocuri.
-
Ax Solid (Ø19 mm): Echipat cu un ax de 19 mm, acest motor este perfect pentru transmisii prin curele sau lanțuri care exercită presiune laterală mare pe ax.
-
Montaj Universal B3: Prinderea pe tălpi este soluția versatilă pentru instalarea pe buncăre, cadre metalice sau fundații de beton.
-
Fiabilitate Industrială: Proiectat cu bobinaj din Cupru 100% și protecție IP55 împotriva mediilor dure.
-
Siguranță: Include protecție termică PTC 120 °C pentru a preveni avariile cauzate de supraîncălzire.
Specificații Tehnice Motor electric trifazat 0.75kw 3000rpm 80 B3 IE2 aLL
| Caracteristică | Valoare |
| Putere motor | 0.75 kW (1 CP) |
| Turație Nominală (50 Hz) | ~2850 rot/min |
| Cuplu Nominal (Torque) | ~2.5 Nm |
| Curent Nominal (400 V) | ~1.7 A |
| Tensiune (50 Hz) | 230 V (Delta) / 400 V (Y) |
| Gabarit (Frame size) | 80 |
| Tip montaj | Pe tălpi (B3) |
| Diametru ax | 19 mm |
| Clasă de eficiență | IE2 |
| Randament (100% sarcină) | ~77 % |
| Factor de putere (50 Hz) | ~0.80 |
| Grad de protecție | IP55 |
| Greutate (aproximativ) | 10 kg |
Aplicații Recomandate
Acest model este recomandat pentru aplicații cu funcționare îndelungată unde robustețea mecanică este critică:
-
Transmisii prin Curele: Ventilatoare mari, compresoare sau benzi transportoare unde tensiunea curelei necesită un ax de 19mm.
-
Utilaje Agricole: Mori, snecuri sau betoniere care necesită un motor rezistent la vibrații și praf.
-
Pompe Industriale: Pompe care necesită un cuplaj mai solid și funcționare eficientă energetic.
-
Ateliere: Mașini-unelte (polizoare, ferăstraie) care operează în regim intens.
Alegeți robustețea Gabaritului 80 și economia IE2. Contactați-ne pentru detalii!

