Motor electric trifazat 0.75kw 750rpm 100 B5
Caracteristici Motor electric trifazat 0.75kw 750rpm 100 B5:
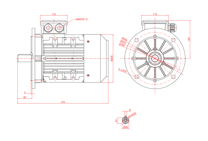
- Putere: 0,75kw;
- Turatie: 750rpm/8poli;
- Gabarit: 100;
- Diametru AX: 28mm;
- Fixare: Flansa mare;
- Prindere: B5;
- Diametru flansa: 250mm;
- 18kg;
Un motor electric trifazat 0.75kw 750rpm 100 B5 este un echipament important si eficient pentru a genera miscare mecanica intr-un sistem. Acest motor electric este proiectat sa ofere o putere mare, dar totusi sa fie compact si usor de montat.
Motorul electric ofera o putere de 0.75kw, aceasta fiind numarul de watturi utilizat pentru a genera miscare in sistemul respectiv. Turatia motorului este de 750rpm/8poli, ceea ce inseamna ca motorul genereaza 750 de rotatii per minut la fiecare opt poli ai sai.
Diametrul axului motorului este de 28mm, ceea ce il face potrivit pentru utilizarea in mai multe aplicatii cu diferite marimi.
Motorul este prevazut cu o fixare de flansa mare, ceea ce il face usor de montat si ajustat. Acesta poate fi utilizat in diferite aplicatii, cum ar fi masini unelte, transportoare, pompe si alte echipamente mecanice asemanatoare.
In concluzie, un motor electric trifazat de 0,75kw, cu o turatie de 750rpm/8poli si diametru de ax de 28mm, este un echipament important si eficient pentru a genera miscare mecanica in diferite medii.
Acesta ofera o putere mare, dar totusi compact si poate fi utilizat in multe aplicatii diferite, ceea ce il face o alegere ideala pentru a fi inclus in sisteme diverse.


