Motor electric trifazat 0.75kw 750rpm 90 B14
Caracteristici Motor electric trifazat 0.75kw 750rpm 90 B14:
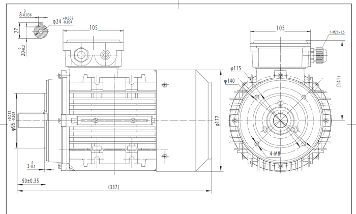
- Putere: 0,75kw
- Turatie: 750rpm/8poli
- Gabarit: 90
- Diametru AX: 24mm
- Fixare: Flansa mica
- Prindere: B14
- Diametru flansa: 140mm
Motorul electric trifazat cu o putere de 0.75kw și o turatie de 750rpm este un mijloc ideal de a genera energie mecanică într-un sistem de tracțiune sau într-un sistem de prelucrare a materialelor. Cu un factor de putere de 90 B14, motorul poate fi utilizat pentru a conduce pompe, ventilatoare sau alte echipamente industriale cu consum redus de energie electrică.
Diametrul axului acestei mașini este de 24mm, ceea ce îl face compatibil cu o gamă largă de aplicații, iar prin fixarea sa cu ajutorul unei flanse mici, se asigură o stabilitate optimă.
Motorul este echipat cu opt poli, ceea ce înseamnă că are o viteză de rotație redusă în comparație cu alte tipuri de mașini de același tip. Această viteză scăzută poate fi benefică în anumite aplicații, cum ar fi cele care necesită o precizie ridicată sau o mișcare mai lentă.
Motorul electric trifazat de 0.75kw este proiectat pentru a avea o eficiență ridicată și o durată lungă de viață, datorită utilizării materialelor de calitate superioară. În plus, este ușor de instalat și întreținut.
În general, acest tip de motor este utilizat de obicei în aplicații industriale, cum ar fi cele din industria alimentară, a băuturilor, a agriculturii și a construcțiilor. Cu toate acestea, este de asemenea potrivit pentru uz casnic, cum ar fi în unele aparate electrice de uz casnic sau în unele aplicații DIY.


