Motor electric trifazat 1.1kw 3000rpm 80 B3
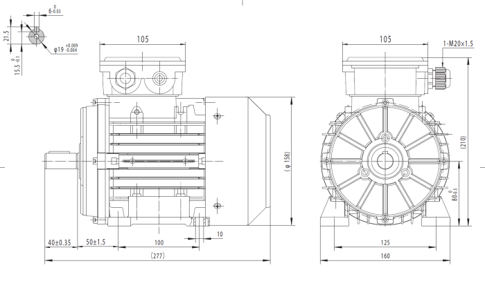
Acest motor electric trifazat 1.1kw 3000rpm 80 B3 este o unitate de acționare de putere medie-superioară, proiectată pentru sarcini la viteze foarte mari, de aproape 3000 rot/min (2 poli). Motorul se livrează cu montaj pe tălpi (B3), tipul clasic de prindere, oferind o fixare stabilă și universală pe o bază plană sau șasiu, ideal pentru transmisii indirecte.
Carcasa de tip Gabarit 80 este construită din Aluminiu, asigurând o masă optimizată de 9.6 kg (greutate conform tabel tehnic) și oferă o răcire eficientă prin ventilație externă (IC 411). Motorul oferă un cuplu nominal de 3.73 Nm la o turație de lucru de 2820 rot/min (la 50 Hz). Caracteristica sa cheie este diametrul axului de 19 mm, care, împreună cu montajul B3, îl face robust și versatil pentru sarcini industriale medii.
Caracteristici Cheie Motor electric trifazat 1.1kw 3000rpm 80 B3
- Putere Industrială: Cu 1.1 kW și un cuplu nominal de 3.73 Nm, acest motor este conceput pentru a face față unor sarcini mai mari, menținând în același timp o turație ridicată.
- Montaj Universal B3 (Tălpi): Fixarea pe tălpi permite o instalare simplă, stabilă și universală pe orice structură de susținere, fiind excelent pentru transmisii prin curele sau cuplaje elastice.
- Ax Robust și Gabarit Superior: Diametrul axului de 19 mm (specific gabaritului 80) oferă o rezistență mecanică superioară la forțele radiale, fiind potrivit pentru aplicații cu transmisie prin curele.
- Eficiență Energetică: Asigură un randament de 82% și un Factor de Putere (cos phi) de 0.84.
- Fiabilitate: Proiectat cu bobinaj de cupru și protejat la standardul IP55 (rezistență la praf și jeturi de apă).
- Viteză Nominală: Livrează o turație nominală de 2820 min-1, ideală pentru sisteme de acționare rapidă.
Aplicații Recomandate
Montajul pe tălpi (B3) și axul robust îl fac ideal pentru aplicațiile staționare care necesită forță și o bază stabilă:
- Acționarea Benzi Transportoare și Elevatoare: Excelent pentru benzile transportoare și elevatoarele care folosesc transmisie prin curele, având un ax rezistent la sarcini laterale.
- Pompe și Compresoare cu Bază: Utilizat pentru pompele centrifugale și compresoarele care necesită o bază fixă și un ax rezistent.
- Mașini-Unelte Staționare: Ideal ca motor de antrenare pentru mașini de șlefuit, polizoare sau mașini de găurit cu coloană de dimensiuni medii.
- Sisteme de Ventilație de Capacitate Medie: Folosit pentru a acționa ventilatoare și suflante industriale care sunt montate pe un șasiu separat.
Specificații Tehnice Motor electric trifazat 1.1kw 3000rpm 80 B3
| Caracteristică | Valoare |
| Putere motor | 1.1 kW |
| Turație nominală (50 Hz) | 2820 rot/min |
| Tensiune (50 Hz) | 230 V (Triunghi) / 400 V (Stea) |
| Curent nominal (400 V / 50 Hz) | 2.3 A |
| Cuplu nominal (Torque) | 3.73 Nm |
| Gabarit (Frame size) | 80 |
| Tip montaj | Pe tălpi (B3) |
| Diametru ax | 19 mm |
| Randament (la 100% sarcină) | 82% |
| Factor de putere (cos phi 50 Hz) | 0.84 |
| Grad de protecție | IP55 |
| Material carcasă | Aluminiu |
| Greutate | ~9.6 kg |
| Bobinaj | Cupru |

