Motor electric trifazat 1.5kw 3000rpm 90 B3 IE2 aLL
Acest motor electric trifazat 1.5kw 3000rpm 90 B3 IE2 aLL este proiectat pentru a livra performanță superioară și eficiență energetică (Clasa IE2) în aplicațiile industriale staționare. Construit pe un șasiu robust de Gabarit 90, acest model oferă o rezistență mecanică excelentă și o capacitate de răcire superioară.
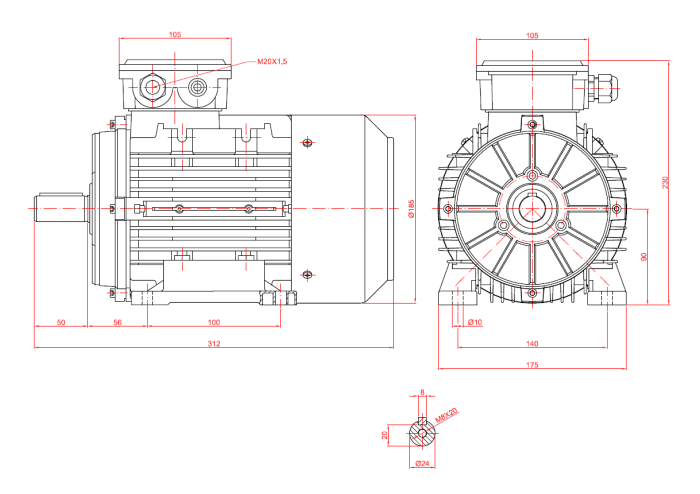
Sistemul de montaj pe tălpi (B3) asigură cea mai stabilă fixare pe cadre metalice sau fundații, fiind ideal pentru transmisiile prin curele sau lanțuri unde tensiunea radială este ridicată. Încadrat în clasa IE2 (High Efficiency), motorul transformă eficient energia electrică în putere mecanică (randament ~83%), reducând costurile de operare. Cu un ax solid de Ø24 mm și un cuplu de 4.98 Nm, este „forța motrice” fiabilă pentru utilajele de producție.
Caracteristici Cheie Motor electric trifazat 1.5kw 3000rpm 90 B3 IE2 aLL
-
Eficiență și Economie (IE2): Cu un randament estimat de ~83%, acest motor reduce consumul inutil de energie, fiind o investiție inteligentă pentru echipamentele care funcționează în regim prelungit.
-
Stabilitate Maximă (B3): Tălpile integrate în carcasa de Gabarit 90 permit o ancorare solidă, reducând vibrațiile și zgomotul, esențial pentru alinierea corectă a fuliilor.
-
Ax Puternic de 24 mm: Diametrul axului de 24 mm (specific gabaritului 90) oferă o rezistență la torsiune mult mai mare decât motoarele de putere inferioară, prevenind deformarea sub sarcină.
-
Putere Versatilă (1.5 kW): Cei 2 CP sunt livrați constant la o turație de ~2880 rot/min, asigurând dinamica necesară pentru pompe și ventilatoare industriale.
-
Construcție Durabilă: Carcasa din Aluminiu (~12.3 kg) disipă rapid căldura, iar protecția IP55 și senzorii PTC 120 °C garantează siguranța bobinajului din cupru.
-
Mentenanță Ușoară: Echipat cu rulmenți de calitate (C&U 6205-ZZ-C3), gresați pe viață pentru o operare fără griji.
Specificații Tehnice Motor electric trifazat 1.5kw 3000rpm 90 B3 IE2 aLL
| Caracteristică | Valoare |
| Putere motor | 1.5 kW (2 CP) |
| Turație Nominală (50 Hz) | ~2880 rot/min |
| Cuplu Nominal (Torque) | 4.98 Nm |
| Curent Nominal (400 V) | ~3.1 A |
| Tensiune (50 Hz) | 230 V (Delta) / 400 V (Y) |
| Gabarit (Frame size) | 90 |
| Tip montaj | Pe tălpi (B3) |
| Diametru ax | 24 mm |
| Clasă de eficiență | IE2 |
| Randament (100% sarcină) | ~83 % |
| Factor de putere (50 Hz) | ~0.83 |
| Grad de protecție | IP55 |
| Protecție termică | PTC 120 °C |
| Greutate (aproximativ) | 12.3 kg |
| Bobinaj | Cupru |
Aplicații Recomandate
Datorită eficienței IE2 și montajului stabil B3, acest motor este recomandat pentru:
-
Compresoare de Aer: Antrenarea compresoarelor cu piston de dimensiuni medii.
-
Ventilație Industrială: Ventilatoare centrifugale montate pe șasiu, cu transmisie prin curea.
-
Sisteme de Pompare: Grupuri de pompare pentru irigații sau transfer de fluide.
-
Utilaje de Prelucrare: Mașini de șlefuit, abricuri sau circulare pentru lemn.
-
Agricultură: Mori de cereale și echipamente de selectare.
Alegeți eficiența IE2 și stabilitatea montajului pe tălpi. Contactați-ne pentru o ofertă!

