Motor electric trifazat 1.5kw 3000rpm 90 B5 IE2 aLL
Acest motor electric trifazat 1.5kw 3000rpm 90 B5 IE2 aLL aduce un plus de valoare în aplicațiile industriale prin combinarea eficienței energetice IE2 (High Efficiency) cu stabilitatea superioară a montajului pe flanșă mare (B5).
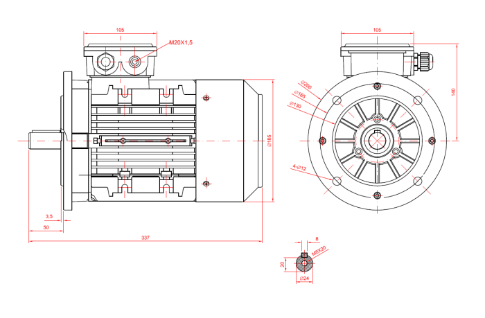
Construit pe un șasiu de Gabarit 90, motorul beneficiază de o carcasă din Aluminiu robustă, cu o greutate de ~12.3 kg, care asigură o răcire excelentă și protecție mecanică. Sistemul de prindere B5 permite fixarea rigidă și precisă direct pe echipamente, fiind soluția ideală pentru a elimina vibrațiile și a asigura alinierea perfectă a axului. Cu un cuplu nominal de 4.98 Nm și o turație de ~2880 rot/min, motorul este gata pentru sarcini dinamice și continue.
Caracteristici Cheie Motor electric trifazat 1.5kw 3000rpm 90 B5 IE2 aLL
-
Eficiență Energetică (IE2): Randamentul estimat de 83% reduce consumul de electricitate și căldura disipată, prelungind durata de viață a motorului și scăzând costurile operaționale.
-
Montaj Rigid B5 (Flanșă 200 mm): Flanșa mare (exterior 200 mm, centrare 130 mm) asigură o conexiune solidă, esențială pentru pompe și reductoare care funcționează la turații ridicate.
-
Putere Industrială (2 CP): 1.5 kW, puterea standard pentru o multitudine de utilaje, livrată fiabil și constant.
-
Ax Solid (Ø24 mm): Diametrul axului (specific gabaritului 90) oferă o rezistență la torsiune superioară, transmițând eficient cuplul de 4.98 Nm.
-
Durabilitate și Protecție: Etanșare IP55 (praf/apă), bobinaj din Cupru 100% și senzori PTC 120 °C incluși pentru o protecție termică activă.
Specificații Tehnice Motor electric trifazat 1.5kw 3000rpm 90 B5 IE2 aLL
| Caracteristică | Valoare |
| Putere motor | 1.5 kW (2 CP) |
| Turație Nominală (50 Hz) | ~2880 rot/min |
| Cuplu Nominal (Torque) | 4.98 Nm |
| Curent Nominal (400 V) | ~3.1 A |
| Tensiune (50 Hz) | 230 V (Delta) / 400 V (Y) |
| Gabarit (Frame size) | 90 |
| Tip montaj | Flanșă Mare (B5) |
| Diametru ax | 24 mm |
| Diametru flanșă | 200 mm |
| Clasă de eficiență | IE2 |
| Randament (100% sarcină) | ~83 % |
| Factor de putere (50 Hz) | ~0.83 |
| Grad de protecție | IP55 |
| Protecție termică | PTC 120 °C |
| Greutate (aproximativ) | 12.3 kg |
| Bobinaj | Cupru |
Aplicații Recomandate
Datorită flanșei B5 și eficienței IE2, acest motor este recomandat pentru:
-
Sisteme de Pompare: Pompe centrifugale monobloc pentru apă curată sau industrială.
-
Ventilație: Ventilatoare axiale de mare viteză montate pe tubulatură.
-
Reductoare: Cuplare directă pe reductoare melcate sau coaxiale.
-
Procesare: Mixere, omogenizatoare și alte utilaje unde motorul este montat vertical sau orizontal pe flanșă.
Alegeți performanța IE2 și stabilitatea B5. Contactați-ne pentru o ofertă!

