Descriere Produs: Motor Electric Trifazat 11kW, 750 RPM, Carcasă 180, B3
Performanță robustă și fiabilitate pentru uz industrial: Motorul Electric Trifazat de 11 kW.
Conceput special pentru uz industrial intensiv, acest motor electric se remarcă prin fiabilitate și durabilitate, având bobinajul realizat integral din cupru pentru o conductivitate superioară și o viață îndelungată. Proiectat pentru a oferi putere constantă și eficiență energetică, este soluția ideală pentru o gamă largă de aplicații care necesită cuplu mare la turații reduse. Cu o construcție solidă din aluminiu (carcasă 180) și montaj standard B3 (cu tălpi), se integrează perfect în sisteme complexe.
Motorul este echipat cu protecție IP55 împotriva prafului și a jeturilor de apă, clasă de izolație F și protecție termică PTC, asigurând o operare sigură. Fie că este vorba de benzi transportoare, compresoare sau pompe, acest motor reprezintă o investiție sigură în productivitatea afacerii dumneavoastră.
Specificații Tehnice Detaliate:
- Tip Motor: Trifazat, Asincron, pentru uz industrial;
- Putere: 11 kW;
- Bobinaj: 100% Cupru;
- Turație (la 50Hz): 730 RPM (nominal);
- Dimensiune Carcasă (Frame): 180;
- Tip Montaj: B3 (cu tălpi);
- Tensiune de Alimentare (50Hz): 400V (Δ) / 690V (VY);
- Curent Nominal (50Hz): 25.03 A (la 400V);
- Cuplu Nominal: 143.96 Nm;
- Grad de Protecție: IP 55;
- Greutate: 124 Kg;
- Material Carcasă: Fonta;
- Protecție Termică: Da, senzor PTC 120°C;
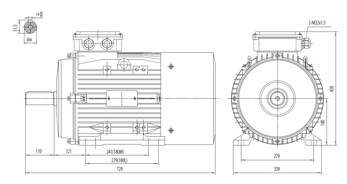
Dimensiuni Principale (conform desen tehnic):
- Diametru Ax: 48 mm;
- Lungime Totală: 729 mm;
- Distanța între găurile de prindere (lățime): 279 mm;
- Înălțime totală: 438 mm;
Aplicații Recomandate:
Motorul este perfect adaptat pentru a acționa:
- Reductoare de turație;
- Pompe industriale și sisteme de irigații;
- Compresoare cu piston sau șurub;
- Ventilatoare de mari dimensiuni;
- Benzi transportoare și elevatoare;
- Agitatoare și malaxoare;
- Mașini unelte de prelucrare;


