Motor electric trifazat 2.2kw 3000rpm 90 B3
Acest motor electric trifazat 2.2kw 3000rpm 90 B3 este o unitate de putere mare, proiectată pentru sarcini industriale la viteze foarte mari, de aproape 3000 rot/min (2 poli).
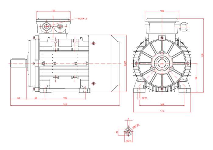
Motorul se livrează cu montaj pe tălpi (B3), tipul clasic și cel mai răspândit de prindere, oferind o fixare stabilă și universală pe o bază plană sau șasiu. Gabaritul de 90 și construcția robustă din Aluminiu asigură o masă optimizată de 15 kg.
Motorul oferă un cuplu nominal de 7.35 Nm (estimat) la o turație de lucru de 2860 rot/min (la 50 Hz). Caracteristica sa cheie este diametrul axului de 24 mm, care, împreună cu montajul B3, îi conferă rezistența mecanică necesară pentru sarcini medii spre grele, în special cele care folosesc transmisii prin curele.
Caracteristici Cheie Motor electric trifazat 2.2kw 3000rpm 90 B3
- Putere Industrială: Cu 2.2 kW și un cuplu nominal de 7.35 Nm, acest motor este conceput pentru a face față sarcinilor mai mari la viteză ridicată.
- Ax Robust (24 mm) și Gabarit 90: Diametrul axului de 24 mm (specific gabaritului 90) oferă o rezistență mecanică excelentă la forțele radiale, fiind optim pentru transmisii cu roți de curea.
- Montaj Universal B3 (Tălpi): Fixarea pe tălpi permite o instalare simplă, stabilă și universală pe orice structură de susținere, facilitând alinierea cu transmisii mecanice externe.
- Eficiență Energetică: Asigură un randament bun (estimat la 76%).
- Fiabilitate: Protejat la standardul IP55 (rezistență la praf și jeturi de apă), fiind adecvat pentru medii industriale.
- Viteză Nominală: Livrează o turație nominală de 2860 min-1, ideală pentru aplicațiile care necesită mișcare rapidă și constantă.
Aplicații Recomandate
Montajul pe tălpi (B3) și axul robust îl fac ideal pentru aplicațiile staționare care necesită forță și o bază stabilă:
- Acționarea Benzi Transportoare și Elevatoare: Excelent pentru benzile transportoare și elevatoarele de capacitate medie, care folosesc transmisie prin curele, având un ax rezistent la sarcini laterale.
- Pompe și Compresoare cu Bază: Utilizat pentru pompele centrifugale, compresoarele și suflantele care necesită o bază fixă și un ax rezistent.
- Mașini-Unelte Staționare: Ideal ca motor de antrenare pentru mașini de prelucrare, polizoare sau mașini de găurit cu coloană de dimensiuni medii.
- Agitatoare și Amestecătoare: Potrivit pentru acționarea agitatoarelor și amestecătoarelor industriale de capacitate medie.
Specificații Tehnice Motor electric trifazat 2.2kw 3000rpm 90 B3
| Caracteristică | Valoare (Conform Gabarit 90, 2 poli) |
| Putere motor | 2.2 kW |
| Turație nominală (50 Hz) | 2860 rot/min |
| Tensiune (50 Hz) | 230 V (Triunghi) / 400 V (Stea) |
| Curent nominal (400 V / 50 Hz) | ~5.2 A |
| Cuplu nominal (Torque) | ~7.35 Nm |
| Gabarit (Frame size) | 90 |
| Tip montaj | Pe tălpi (B3) |
| Diametru ax | 24 mm |
| Randament (la 100% sarcină) | ~76% |
| Factor de putere (cos phi 50 Hz) | ~0.80 |
| Grad de protecție | IP55 |
| Material carcasă | Aluminiu |
| Greutate | 15 kg |
| Bobinaj | Cupru |

