Motor electric trifazat 30kw 3000rpm 200 B5 IE2 aLL
Acest motor electric trifazat 30kw 3000rpm 200 B5 IE2 aLL este proiectat pentru a oferi performanță de vârf și eficiență în aplicațiile industriale care necesită cuplare directă și rigidă. Construit pe un șasiu robust de Gabarit 200 din Fontă (Cast Iron), motorul asigură stabilitatea necesară pentru a gestiona sarcini dinamice la turații înalte (~2950 rot/min).
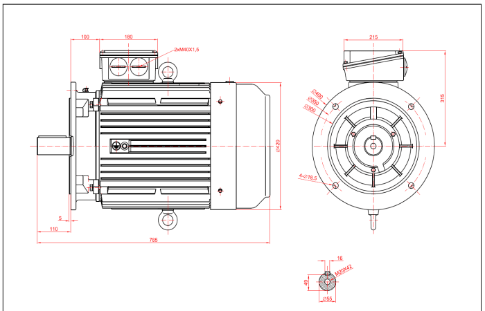
Sistemul de montaj pe flanșă mare (B5) permite fixarea „în consolă” sau direct pe corpul utilajelor (pompe, reductoare), eliminând jocurile mecanice și asigurând o aliniere perfectă. Datorită încadrării în clasa IE2 (High Efficiency), acest motor reduce semnificativ consumul de energie și costurile operaționale, livrând un cuplu puternic de 97.16 Nm.
Caracteristici Cheie Motor electric trifazat 30kw 3000rpm 200 B5 IE2 aLL
-
Eficiență și Profitabilitate (IE2): Cu un randament estimat de ~92.6%, motorul minimizează pierderile de energie, fiind o alegere strategică pentru procesele industriale cu funcționare continuă.
-
Montaj Ultra-Rigid (B5): Flanșa supradimensionată (exterior 400 mm, centrare 300 mm) asigură o conexiune solidă cu echipamentul antrenat, protejând componentele interne de vibrații.
-
Construcție Heavy-Duty: Carcasa masivă din fontă (~218.1 kg) oferă o inerție termică și mecanică excelentă, rezistând la condiții dure de exploatare.
-
Putere Industrială (40 CP): 30 kW disponibili constant, ideali pentru pornirea sarcinilor cu inerție mare (ventilatoare, volante).
-
Ax de Transmisie Solid (Ø55 mm): Diametrul axului este dimensionat pentru a transmite cupluri mari fără torsiune, fiind compatibil cu cuplaje elastice performante.
-
Fiabilitate Totală: Bobinaj din Cupru 100%, protecție IP55 și senzori termici PTC 120 °C incluși standard pentru siguranță maximă.
Specificații Tehnice Motor electric trifazat 30kw 3000rpm 200 B5 IE2 aLL
Aplicații Recomandate
Datorită flanșei B5 și eficienței IE2, acest motor este recomandat pentru:
-
Reductoare Industriale: Cuplare directă pe reductoare coaxiale sau planetare de putere mare.
-
Pompe de Proces: Pompe centrifuge verticale sau orizontale în industria chimică și de apă.
-
Ventilație Grea: Ventilatoare axiale industriale montate direct pe tubulatură.
-
Compresoare: Unități de compresie cu șurub care necesită stabilitate și eficiență.
-
Utilaje de Prelucrare: Mașini de rectificat, freze mari și alte echipamente care necesită precizie și putere.
Alegeți puterea de 30 kW și precizia montajului B5. Contactați-ne pentru detalii!

