Motor electric trifazat 3kw 3000rpm 100 B5 IE2 aLL
Acest motor electric trifazat 3kw 3000rpm 100 B5 IE2 aLL este proiectat ca o soluție de înaltă eficiență (IE2) pentru aplicațiile care necesită viteză mare și integrare mecanică precisă. Construit pe un șasiu ușor de Gabarit 100 din Aluminiu, motorul asigură o disipare termică excelentă și o greutate optimizată (~22 kg).
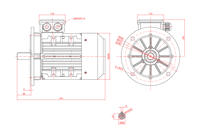
Sistemul de montaj pe flanșă (B5) permite cuplarea directă și rigidă la utilajul acționat (pompe, reductoare, ventilatoare), asigurând alinierea coaxială perfectă. Încadrat în clasa IE2, motorul livrează un cuplu nominal de 9.84 Nm la o turație de ~2910 rot/min, oferind o combinație excelentă între performanță dinamică și costuri operaționale reduse.
Caracteristici Cheie Motor electric trifazat 3kw 3000rpm 100 B5 IE2 aLL
-
Eficiență Energetică (IE2): Cu un randament superior (estimat 85.3%), motorul optimizează consumul de energie electrică, fiind ideal pentru funcționarea pe termen lung și reducând amprenta energetică.
-
Montaj Rigid B5 (Flanșă): Flanșa cu diametrul de centrare de 130 mm (conform gabarit 100) asigură o conexiune mecanică stabilă și fără joc, esențială pentru sisteme de pompare și compresie.
-
Putere și Viteză: 3 kW livrați la ~2910 rot/min fac din acest motor o soluție agilă pentru mașini de tăiat, polizoare sau benzi transportoare rapide.
-
Construcție Ușoară: Carcasa din Aluminiu minimizează greutatea totală a echipamentului și facilitează instalarea motorului în poziții dificile (vertical, suspendat).
-
Fiabilitate Industrială: Echipat cu bobinaj din Cupru, protecție IP55 (praf/apă) și protecție termică PTC 120 °C.
-
Parametri Electrici Stabili: Factor de putere bun () și curent nominal redus ( la ) datorită eficienței IE2.
Specificații Tehnice Motor electric trifazat 3kw 3000rpm 100 B5 IE2 aLL
Aplicații Recomandate Motor electric trifazat 3kw 3000rpm 100 B5 IE2 aLL
Datorită eficienței IE2 și montajului B5, acest motor este ideal pentru:
-
Grupuri de Pompare Monobloc: Unde motorul este integrat direct pe corpul pompei (fără bază comună).
-
Ventilație de Înaltă Viteză: Suflante și ventilatoare industriale cuplate direct.
-
Reductoare Compacte: Acționarea reductoarelor melcate sau planetare cu intrare pe flanșă.
-
Mașini-Unelte: Polizoare, mașini de găurit de precizie, unde alinierea perfectă este critică.
Alegeți eficiența IE2 și precizia montajului B5. Contactați-ne pentru o ofertă personalizată!

