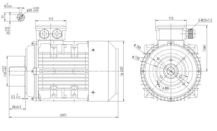
Caracteristici Motor electric trifazat 5.5kw 3000rpm 112 B14:
- Putere: 5,5kw;
- Turatie: 3000rpm/2poli;
- Gabarit: 112;
- Diametru AX: 28mm;
- Fixare: B14;
- Prindere: Flansa mica;
- Diametru flansa: 160mm;
- carcasa din aluminiu;
- bobinaj din cupru;
- uz industrial;
- 30kg;
Motorul electric trifazat 5.5kw 3000rpm 112 B14 este un motor puternic proiectat pentru a suporta sarcini grele și a fi folosit într-o varietate de aplicații industriale. Acesta are o putere nominală de 5.5kw și are o turatie de 3000rpm/2poli, ceea ce îl face capabil să funcționeze la viteze mari și să ofere un nivel ridicat de putere.
Diametrul axului motorului este de 28mm, ceea ce îl face compatibil cu o gamă largă de utilizări și aplicații. De asemenea, acesta este proiectat cu o fixare de tip B14, ceea ce înseamnă că poate fi ușor montat și instalat pe o varietate de echipamente.
Cu o construcție robustă și o calitate superioară a componentelor, motorul electric trifazat 5.5kw 3000rpm 112 B14 este un produs durabil și fiabil, capabil să reziste la uzura și să funcționeze în condiții extreme. Acesta poate fi utilizat în pompe, compresoare, ventilatoare, mașini-unelte, transportoare și multe alte aplicații industriale.
În final, motorul trifazat 5.5kw 3000rpm 112 B14 este alegerea ideală pentru orice aplicație industrială care necesită un motor puternic, durabil și fiabil. Datorită puterii și performanței sale, acesta poate îndeplini cu ușurință orice sarcină și poate fi utilizat pentru o varietate mare de echipamente.

| Gabarit motor (IEC-PAM) | Putere motor Kw | Putere motor cai putere | Turatie nominala motor | Amperaj 400V | (ƞ) 100% | Cos ɸ 100% | is-in | cs-cn | cm-cn | cn Nm | Kgm2 | Greutate |
| 56a | 0.09kw | 0.12HP | 2750rot/min | 0,5 | 41 | 0,63 | 3,1 | 2,60 | 2,70 | 0,31 | 0,00010 | 2.7kg |
| 56b | 0.12kw | 0.16HP | 2770rot/mi | 0,6 | 51 | 0,57 | 3,5 | 2,80 | 2,90 | 0,41 | 0,00010 | 3.1kg |
| 56c | 0.18kw | 0.25HP | 2760rot/min | 0,75 | 58 | 0,60 | 3,7 | 2,70 | 2,80 | 0,62 | 0,00010 | 3.4kg |
| 63a | 0.18kw | 0.25HP | 2780rot/min | 0,68 | 61 | 0,63 | 3,8 | 2,50 | 2,60 | 0,62 | 0,00019 | 3.1kg |
| 63b | 0.25kw | 0.33HP | 2780rot/min | 0,75 | 67 | 0,72 | 3,8 | 2,80 | 2,90 | 0,86 | 0,00019 | 3.5kg |
| 63c | 0.37kw | 0.5HP | 2790rot/min | 0,9 | 74 | 0,80 | 4,2 | 2,90 | 3,00 | 1,27 | 0,00023 | 3.9kg |
| 63e | 0.55kw | 0.75HP | 2790rot/min | 1,5 | 72 | 0,74 | 4 | 2,30 | 2,50 | 1,88 | 0,00030 | 4.8kg |
| 71a | 0.37kw | 0.5HP | 2790rot/min | 1 | 69 | 0,77 | 4,5 | 2,60 | 2,70 | 1,27 | 0,00032 | 5.7kg |
| 71b | 0.55kw | 0.75HP | 2800rot/min | 1,4 | 72 | 0,79 | 4,4 | 2,80 | 2,90 | 1,88 | 0,00042 | 6.7kg |
| 71c | 0.75kw | 1HP | 2800rot/min | 1,8 | 74 | 0,81 | 4,5 | 0,75 | 3,10 | 2,56 | 0,00057 | 8.0kg |
| 80a | 0.75kw | 1HP | 2820rot/min | 1,9 | 76 | 0,75 | 4,6 | 2,20 | 2,50 | 2,54 | 0,00083 | 8.6kg |
| 80b | 1.1kw | 1.5HP | 2820rot/min | 2,3 | 82 | 0,84 | 5,1 | 2,50 | 2,60 | 3,73 | 0,00103 | 9.6kg |
| 80c | 1.5kw | 2HP | 2830rot/min | 3,2 | 81 | 0,84 | 5,5 | 2,70 | 2,90 | 5,06 | 0,00124 | 10.7kg |
| 80e | 1.8kw | 2.5HP | 2820rot/min | 4 | 80 | 0,81 | 5,2 | 2,40 | 2,60 | 6,10 | 0,00138 | 11.3kg |
| 90Sa | 1.5kw | 2HP | 2850rot/min | 3,8 | 75 | 0,76 | 5,4 | 2,20 | 2,70 | 5,03 | 0,00130 | 13.4kg |
| 90Sb | 1.8kw | 2.5HP | 2840rot/min | 4,4 | 74 | 0,80 | 5,3 | 2,30 | 2,80 | 6,06 | 0,00139 | 14.7kg |
| 90Lb | 2.2kw | 3HP | 2860rot/min | 5,2 | 76 | 0,80 | 5 | 2,70 | 3,00 | 7,35 | 0,00185 | 14.7kg |
| 90Lc | 3kw | 4HP | 2860rot/min | 7 | 80 | 0,77 | 6 | 2,90 | 3,10 | 10,02 | 0,00222 | 17.7kg |
| 100La | 3kw | 4HP | 2880rot/min | 6,8 | 77 | 0,83 | 6,2 | 2,20 | 2,80 | 9,95 | 0,00284 | 17.9kg |
| 100Lb | 4kw | 5.5HP | 2880rot/min | 8 | 84 | 0,86 | 6,5 | 2,20 | 2,80 | 13,27 | 0,00379 | 21.6kg |
| 100Le | 5kw | 6.8HP | 2870rot/min | 10,5 | 82 | 0,84 | 6,6 | 2,30 | 2,70 | 16,64 | 0,00442 | 23.8kg |
| 112Ma | 4kw | 5.5HP | 2900rot/min | 8,4 | 81 | 0,85 | 6,5 | 2,20 | 2,60 | 13,18 | 0,00506 | 25.5kg |
| 112Mb | 5.5kw | 7.5HP | 2910rot/min | 11,4 | 83 | 0,84 | 6,7 | 2,10 | 2,60 | 18,06 | 0,00658 | 30.3kg |
| 112Me | 7.5kw | 10HP | 2915rot/min | 15,6 | 84 | 0,83 | 6,8 | 2,30 | 2,60 | 24,58 | 0,00759 | 33.1kg |
| 112MLg | 9.2kw | 12.5HP | 2920rot/min | 18,5 | 86 | 0,84 | 6,6 | 2,30 | 2,70 | 30,10 | 0,00911 | 36.4kg |
| 132Sa | 5.5kw | 7.5HP | 2920rot/min | 11,4 | 83 | 0,84 | 5,8 | 2,10 | 2,20 | 18,00 | 0,01016 | 38.7kg |
| 132Sb | 7.5kw | 10HP | 2915rot/min | 15 | 87 | 0,83 | 6,2 | 2,60 | 3,10 | 24,58 | 0,01242 | 41.3kg |
| 132Mc | 9.2kw | 12.5HP | 2920rot/min | 19 | 86 | 0,81 | 0,81 | 6,8 | 2,60 | 3,30 | 0,01581 | 47.6kg |
| 132Md | 11kw | 15HP | 2920rot/min | 21 | 88 | 0,86 | 7,2 | 2,50 | 3,50 | 35,99 | 0,01919 | 54.0kg |
| 132Me | 15kw | 20HP | 2930rot/min | 28 | 89 | 0,87 | 6,7 | 2,60 | 3,60 | 48,91 | 0,02145 | 58.1kg |
| 132Mg | 18.5kw | 25HP | 2925rot/min | 35,3 | 89 | 0,85 | 6,8 | 2,30 | 3,20 | 60,43 | 0,02484 | 66.3kg |
| 160Ma | 11kw | 15HP | 2940rot/min | 21,7 | 87 | 0,84 | 7,2 | 2,50 | 3,10 | 35,75 | 0,02817 | 76.1kg |
| 160Mb | 15kw | 20HP | 2930rot/min | 28,6 | 88 | 0,86 | 7,4 | 2,50 | 3,10 | 48,91 | 0,03842 | 88.0kg |
| 160Lc | 18.5kw | 25HP | 2930rot/min | 35,3 | 90 | 0,84 | 7 | 2,40 | 3,30 | 60,32 | 0,04610 | 96.8kg |
Aceste informații detaliate sunt despre dimensiunile și specificațiile tehnice ale acestui motor electric asincron trifazat, ce pot fi folosite pentru a îmbunătăți descrierea produselor de pe site-ul aLLindustriaL.ro, oferind clienților toate detaliile necesare pentru a face alegerea potrivită!
