Motor electric trifazat 55kw 3000rpm 250 B3
Caracteristici Motor electric trifazat 55kw 3000rpm 250 B3:
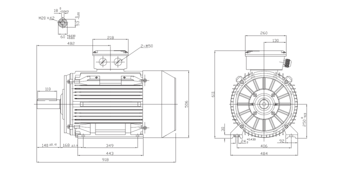
- Putere: 55kw;
- Turatie: 3000rpm/2poli;
- Gabarit: 250;
- Diametru AX: 60mm;
- Fixare: B3;
- Prindere: Talpa;
Motorul electric trifazat de 55kw are o putere mare de 250 B3 și o turatie de 3000rpm/2 poli. Cu un diametru de ax de 60mm, acesta poate fi fixat sau montat într-o gamă largă de aplicații. De asemenea, poate fi utilizat pentru diverse aplicații industriale, precum pompe, compresoare, ventilatoare sau alte echipamente care necesită un motor electric puternic.
Motorul electric trifazat de 55kw este proiectat pentru a genera putere electrică prin transformarea energiei electrice în energie mecanică. Această energie mecanică poate fi utilizată pentru a declanșa diverse procese pe liniile de producție, precum în industria automobilistică sau în domeniul manufacturier, pentru a menține o presiune constantă în sistemul de conducte sau pentru a alimenta ventilatoarele și sistemele de încălzire din clădiri.
Motorul are un design compact, este usor de montat și întreținut, are o durată de viață lungă și consumul de energie este redus. De aceea, este o alegere excelentă pentru a fi utilizat în industria de producție sau în alte aplicații care necesită o putere mare și o eficiență în consumul de energie.
În concluzie, motorul electric trifazat de 55kw 3000rpm cu diametru de ax de 60mm și fixare B3 este un motor electric foarte puternic, eficient și durabil care poate fi folosit în diferite aplicații de producție sau utilizat pentru a alimenta diverse echipamente care necesită putere electrică.


