Se afișează toate cele 78 rezultate
Motor electric cu frana C cu arc electromecanică este o frână cu cuplu de frânare cu curent alternativ.
Un motor electric trifazat cu frana ca este un motor electric care are o frana integrata. Frana este utilizata pentru a opri rapid si sigur motorul electric.
Caracteristici motor electric cu frana C:
- Tensiunea de alimentare: 230/400V sau 400/690V;
- Carcasa: Aluminiu;
- Prindere: la alegere (B3 – talpa, B5 flansa mare sau B14 flansa mica)
- Tip de frana: In curent alternativ la 400V
Avantaje Motor electric cu frana Curent alternativ
- Oprire rapida si sigura a motorului;
- Durabilitate;
- Ușor de întreținut;
Domenii de utilizare
Motorele electrice trifazate cu frana sunt utilizate in diverse aplicatii industriale, cum ar fi:
- Automatizarea proceselor;
- Transportul si manipularea materialelor;
- Masini-unelte;
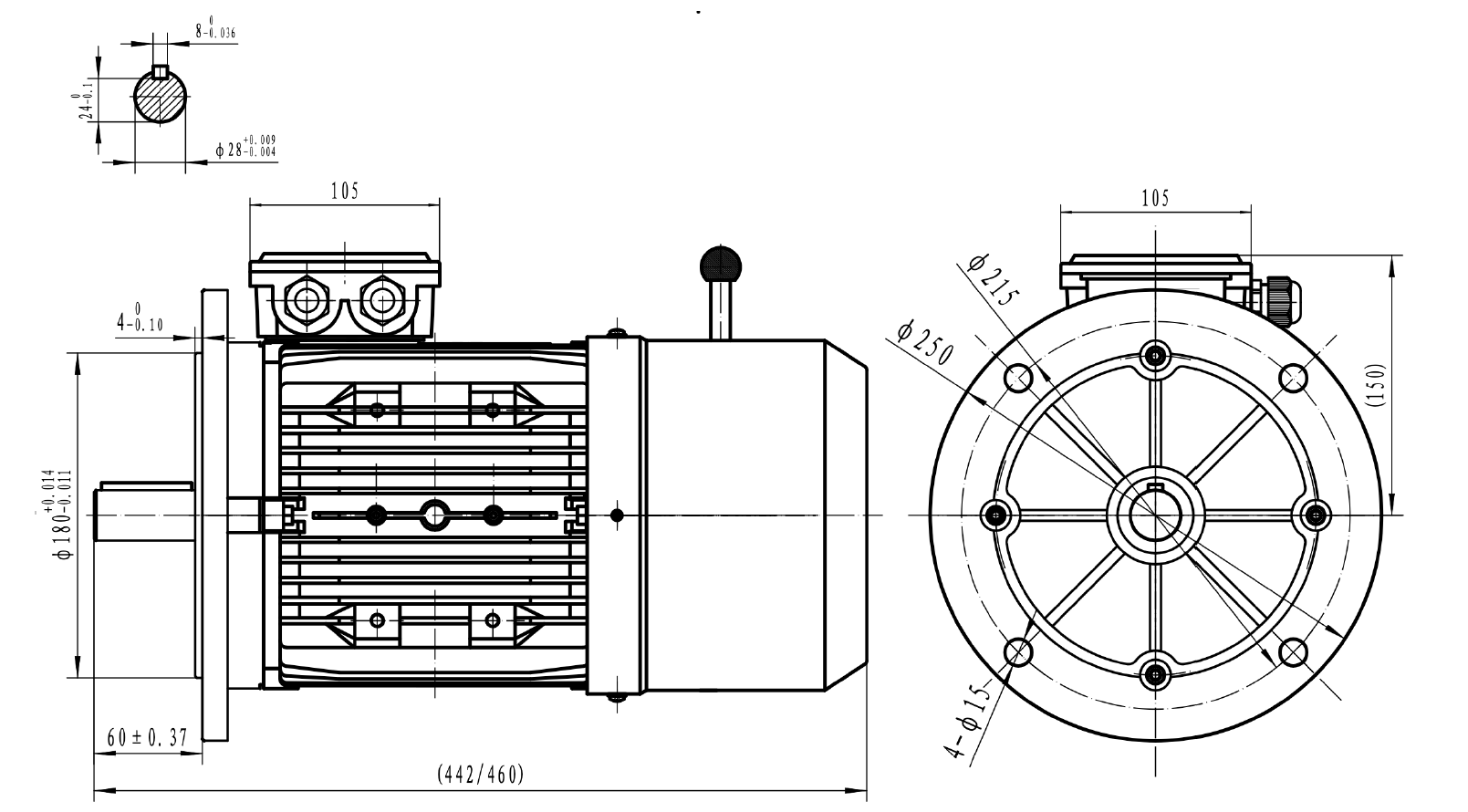
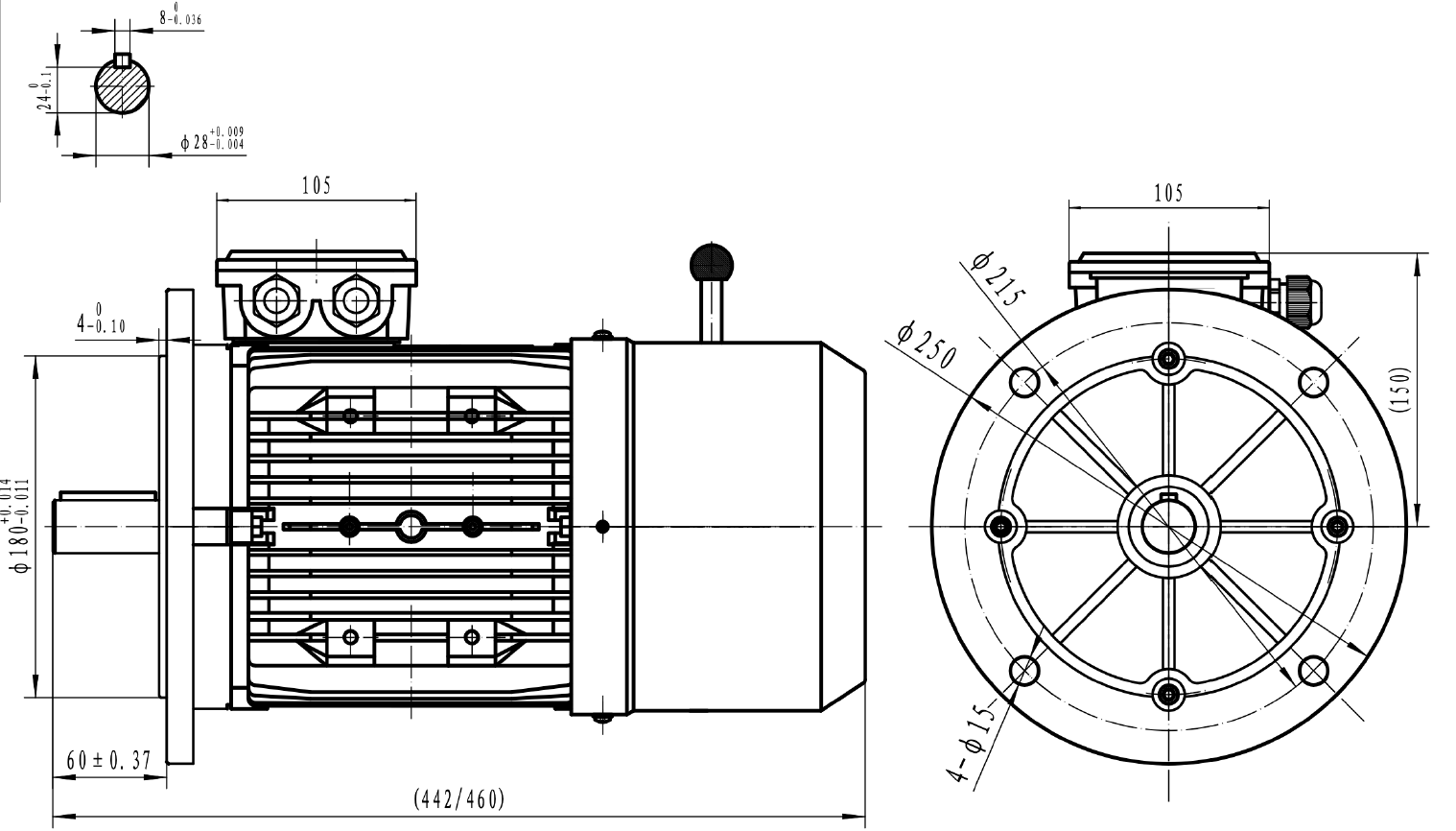
Detalii tehnice
Motorele electrice trifazate cu frana sunt disponibile in diverse dimensiuni si capacitati. Caracteristicile tehnice specifice ale unui motor electric trifazat cu frana sunt indicate in datele tehnice ale acestuia.
Exemple de utilizare
Iată câteva exemple specifice de utilizare a motoarelor electrice trifazate cu frana:
- În industria alimentară, motorele electrice trifazate cu frana sunt utilizate pentru a opri rapid și sigur transportoarele de materiale;
- În industria chimică, motorele electrice trifazate cu frana sunt utilizate pentru a opri rapid și sigur mașinile-unelte;
- În industria metalurgică, motorele electrice trifazate cu frana sunt utilizate pentru a opri rapid și sigur echipamentele de manipulare a materialelor;
Motorele electrice trifazate cu frana sunt produse versatile, care pot fi utilizate în diverse aplicații industriale.
Clase de eficiență IE4, IE3, IE2 sau IE1.
