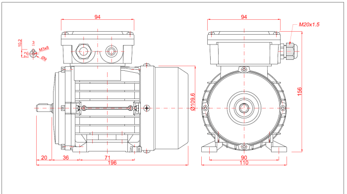
Caracteristici motor electric trifazat 0.09kw 1400rpm 56 B3 IE2 aLL:
- Putere: 0,09kw;
- Turatie: 1400rpm/4poli;
- Gabarit: 56;
- Diametru ax: 9mm;
- Fixare: Talpa;
- Prindere: B3;
- eficienta ridicata IE2;
- Carcasa Alumini;
- Bobinaj din cupru;
- 3kg;
| Gabarit motor (IEC-PAM) | Putere motor (Kw) | Putere motor (cai putere) | Turatie nominala motor | Tensiune | Randament (400V) | Randament (ƞ) 100% | Factor de putere Cos ɸ 100% | Is-in | cs-cn | cm-cn | Cuplu nominal | Greutate |
| 56b | 0.09kw | 0.12HP | 1360rpm | 230/400V | 0.36A | 57 | 0,63 | 2,7 | 2,20 | 2,40 | 0.63Nm | 2.8kg |
| 56c | 0.12kw | 0.16HP | 1370rpm | 230/400V | 0.55A | 54 | 0,58 | 2,7 | 2,30 | 2,60 | 0.84Nm | 3.1kg |
| 56e | 0.18kw | 0.25HP | 1370rpm | 230/400V | 0.79A | 55 | 0,60 | 3,1 | 2,10 | 2,30 | 1.26Nm | 3.7kg |
| 63a | 0.12kw | 0.16HP | 1370rpm | 230/400V | 0.52A | 56 | 0,60 | 3 | 2,330 | 2,70 | 0.84Nm | 3.5kg |
| 63b | 0.18kw | 0.25HP | 1380rpm | 230/400V | 0.72A | 60 | 0,60 | 3 | 2,50 | 2,80 | 1.25Nm | 3.9kg |
| 63c | 0.25kw | 0.33HP | 1380rpm | 230/400V | 0.78A | 70 | 0,66 | 3,1 | 2,50 | 2,80 | 1.73Nm | 4.2kg |
| 63e | 0.37kw | 0.5HP | 1380rpm | 230/400V | 1.23A | 67 | 0,65 | 3 | 2,30 | 2,50 | 2.56Nm | 4.9kg |
| 71a | 0.25kw | 0.33HP | 1390rpm | 230/400V | 0.82A | 66 | 0,67 | 3,5 | 2,50 | 2,60 | 1.72Nm | 5.3kg |
| 71b | 0.37kw | 0.5HP | 1390rpm | 230/400V | 1.1A | 70 | 0,69 | 3,4 | 2,40 | 2,70 | 2.54Nm | 6.4kg |
| 71c | 0.55kw | 0.75HP | 1390rpm | 230/400V | 1.45A | 74 | 0,74 | 3,7 | 2,50 | 2,70 | 3.78Nm | 7.6kg |
| 71e | 0.75kw | 1HP | 1390rpm | 230/400V | 2A | 74 | 0,73 | 3,6 | 2,40 | 2,60 | 5.16Nm | 8.6kg |
| 80a | 0.55kw | 0.75HP | 1400rpm | 230/400V | 1.5A | 74 | 0,72 | 4 | 2,50 | 2,60 | 3.75Nm | 9kg |
| 80b | 0.75kw | 1HP | 1410rpm | 230/400V | 1.9A | 77 | 0,74 | 4,1 | 2,50 | 2,70 | 5.08Nm | 9.7kg |
| 80d | 1.1kw | 1.5HP | 1410rpm | 230/400V | 2.6A | 76 | 0,80 | 4,2 | 2,60 | 2,70 | 7.45Nm | 11.8kg |
| 90Sa | 1.1kw | 1.5HP | 1420rpm | 230/400V | 2.7A | 77 | 0,76 | 4,4 | 2,40 | 2,60 | 7.40Nm | 13kg |
| 90Lb | 1.5kw | 2HP | 1420rpm | 230/400V | 3.8A | 75 | 0,76 | 4,5 | 2,50 | 2,70 | 10.09Nm | 15kg |
| 90Ld | 2.2kw | 3HP | 1400rpm | 230/400V | 5.5A | 75 | 0,77 | 4,5 | 2,40 | 2,60 | 15.01Nm | 17.5kg |
| 100La | 2.2kw | 3HP | 1420rpm | 230/400V | 5.3A | 80 | 0,75 | 4,8 | 2,40 | 2,50 | 14.80Nm | 19.7kg |
| 100Lb | 3kw | 4HP | 1430rpm | 230/400V | 6.9A | 82 | 0,77 | 5 | 2,30 | 2,50 | 20.04Nm | 22.9kg |
| 100Ld | 4kw | 5.5HP | 1420rpm | 230/400V | 9.2A | 80 | 0,79 | 5 | 2,30 | 2,50 | 26.91Nm | 24.3kg |
| 112Mb | 4kw | 5.5HP | 1430rpm | 230/400V | 8.7A | 82 | 0,81 | 5,2 | 2,50 | 2,80 | 26.72Nm | 28.3kg |
| 112Mc | 5.5kw | 7.5HP | 1420rpm | 400/690V | 12A | 83 | 0,80 | 5,3 | 2,50 | 3,00 | 37.01Nm | 31kg |
| 132Sa | 5.5kw | 7.5HP | 1430rpm | 400/690V | 12.4A | 84 | 0,76 | 5,8 | 2,50 | 2,80 | 36.75Nm | 41.5kg |
| 132Mb | 7.5kw | 10HP | 1440rpm | 400/690V | 16.3A | 85 | 0,78 | 6 | 2,50 | 3,00 | 49.76Nm | 49kg |
| 132Mc | 9.2kw | 12.5HP | 1450rpm | 400/690V | 20A | 85 | 0,78 | 5,4 | 3,00 | 3,10 | 60.62Nm | 55kg |
| 132Md | 11kw | 15HP | 1450rpm | 400/690V | 25A | 85 | 0,75 | 5,6 | 2,80 | 3,00 | 72.48Nm | 58kg |
| 160Ma | 11kw | 15HP | 1460rpm | 400/690V | 22A | 88 | 0,82 | 5,6 | 2,10 | 2,50 | 71.98Nm | 81kg |
| 160Lb | 15kw | 20HP | 1465rpm | 400/690V | 29.3A | 89 | 0,83 | 5,8 | 2,30 | 2,70 | 97.82Nm | 94kg |
| 160Lc | 18.5kw | 25HP | 1460rpm | 400/690V | 37A | 90 | 0,80 | 5,9 | 2,20 | 2,40 | 121.06Nm | 107kg |
| 160Ld | 22kw | 30HP | 1460rpm | 400/690V | 44A | 90 | 0,80 | 6,2 | 2,30 | 2,40 | 143.97Nm | 119kg |
Aceste informații detaliate sunt despre dimensiunile și specificațiile tehnice ale acestui motor electric asincron trifazat, ce pot fi folosite pentru a îmbunătăți descrierea produselor de pe site-ul aLLindustriaL.ro, oferind clienților toate detaliile necesare pentru a face alegerea potrivită!

