Motor electric trifazat 0.18kw 3000rpm 63 B5
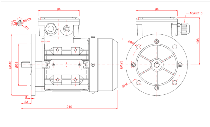
Acest motor electric trifazat 0.18kw 3000rpm 63 B5 este o unitate de putere proiectată pentru a oferi o performanță robustă într-un format compact. Construit pe un șasiu de Gabarit 63 din Aluminiu, motorul se distinge prin sistemul de montaj pe flanșă mare (B5), care asigură o fixare extrem de stabilă direct pe echipamentele antrenate.
Eliminând necesitatea tălpilor, acest model este ideal pentru aplicațiile unde spațiul este limitat, iar alinierea coaxială perfectă este critică. Motorul livrează un cuplu constant de 0.62 Nm la o turație de 2780 rot/min, oferind fiabilitate pe termen lung pentru sarcini ușoare.
Caracteristici Cheie și Beneficii Motor electric trifazat 0.18kw 3000rpm 63 B5
-
Montaj Rigid B5 (Flanșă 140 mm): Flanșa supradimensionată (diametru exterior 140 mm, centrare 95 mm) asigură o conexiune mecanică solidă, reducând vibrațiile și protejând rulmenții în transmisiile directe.
-
Putere și Viteză (0.25 CP): 0.18 kW disponibili constant, optimizați pentru acționarea mecanismelor rapide de dozare, mixare sau ventilație.
-
Construcție Ușoară: Carcasa din Aluminiu menține greutatea redusă (~3.1 kg, conform fișei standard), facilitând manipularea și instalarea în poziții diverse.
-
Ax Standard (Ø11 mm): Diametrul axului este dimensionat pentru a rezista la cuplul nominal și a asigura o transmisie sigură a puterii.
-
Fiabilitate Industrială: Bobinaj din Cupru 100%, protecție IP55 (praf/apă) și senzori termici PTC 120 °C incluși standard.
Specificații Tehnice Motor electric trifazat 0.18kw 3000rpm 63 B5
Aplicații Recomandate Motor electric trifazat 0.18kw 3000rpm 63 B5
Datorită montajului B5 și puterii de 0.18 kW, acest motor este recomandat pentru:
-
Sisteme de Dozare: Pompe peristaltice și dozatoare volumetrice cu montaj pe flanșă.
-
Ventilație Compactă: Ventilatoare axiale integrate în carcase de echipamente.
-
Agitatoare: Mixere de laborator și industriale mici, montate vertical.
-
Reductoare: Cuplare directă pe reductoare melcate sau cilindrice mici.
-
Automatizări: Benzi transportoare ușoare și mecanisme de poziționare.
Alegeți stabilitatea B5 și precizia de 0.18 kW. Contactați-ne pentru detalii!

