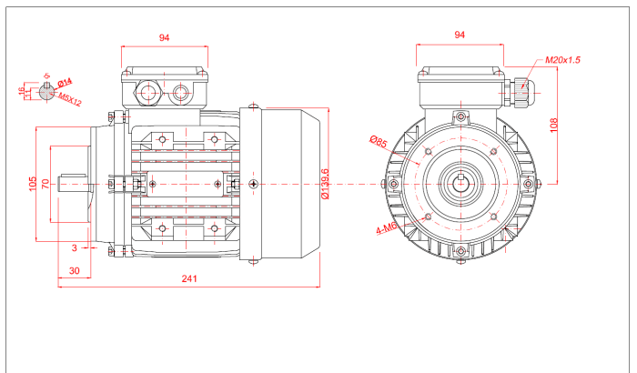
Caracteristici motor electric trifazat 0.25kw 1400rpm 71 B14:
- Putere: 0,25kw;
- Turatie: 1400rpm/4poli;
- Gabarit: 71;
- Diametru AX: 14mm;
- Fixare: Flansa mica;
- Prindere: B14;
- Diametru flansa: 105mm;
- 5.3kg;
Un motor electric trifazat 0.25kw 1400rpm 71 B14 este o mașină electrică ce poate fi utilizată în diverse aplicații industriale și comerciale. Acesta funcționează la o turaițe de 1400 rot/min și este dotat cu 4 poli.
Acest tip de motor electric poate fi folosit pentru acționarea pompelor, ventilatoarelor, compresoarelor și a altor echipamente electrice.
Dimensiunile motorului sunt de 71 B14, adică diametrul flanșei de prindere este mic, iar diametrul axului este de 14 mm. Aceste dimensiuni îl fac ușor de instalat pe diverse tipuri de echipamente.
Motorul este proiectat pentru a fi utilizat în condiții de mediu dificile, de aceea este confecționat din materiale de calitate superioară și este protejat împotriva umidității și a prafului.
Puterea motorului de 0,25 kW este suficientă pentru a acționa o gamă largă de echipamente, iar turaițele de 1400 rot/min îi conferă o viteză optimă de lucru.
Acesta poate fi alimentat cu tensiunea de 220 V sau 380 V și are o eficiență ridicată, ceea ce înseamnă că consumă o cantitate mică de energie electrică în timpul funcționării.
În concluzie, motorul electric trifazat de 0,25 kW este o alegere excelentă pentru cei care au nevoie de o sursă de energie electrică fiabilă și puternică. Acesta poate fi utilizat într-o varietate de aplicații și oferă o performanță excelentă, fiabilitate și durabilitate.

| Gabarit motor (IEC-PAM) | Putere motor (Kw) | Putere motor (cai putere) | Turatie nominala motor | Tensiune | Randament (400V) | Randament (ƞ) 100% | Factor de putere Cos ɸ 100% | Is-in | cs-cn | cm-cn | Cuplu nominal | Greutate |
| 56b | 0.09kw | 0.12HP | 1360rpm | 230/400V | 0.36A | 57 | 0,63 | 2,7 | 2,20 | 2,40 | 0.63Nm | 2.8kg |
| 56c | 0.12kw | 0.16HP | 1370rpm | 230/400V | 0.55A | 54 | 0,58 | 2,7 | 2,30 | 2,60 | 0.84Nm | 3.1kg |
| 56e | 0.18kw | 0.25HP | 1370rpm | 230/400V | 0.79A | 55 | 0,60 | 3,1 | 2,10 | 2,30 | 1.26Nm | 3.7kg |
| 63a | 0.12kw | 0.16HP | 1370rpm | 230/400V | 0.52A | 56 | 0,60 | 3 | 2,330 | 2,70 | 0.84Nm | 3.5kg |
| 63b | 0.18kw | 0.25HP | 1380rpm | 230/400V | 0.72A | 60 | 0,60 | 3 | 2,50 | 2,80 | 1.25Nm | 3.9kg |
| 63c | 0.25kw | 0.33HP | 1380rpm | 230/400V | 0.78A | 70 | 0,66 | 3,1 | 2,50 | 2,80 | 1.73Nm | 4.2kg |
| 63e | 0.37kw | 0.5HP | 1380rpm | 230/400V | 1.23A | 67 | 0,65 | 3 | 2,30 | 2,50 | 2.56Nm | 4.9kg |
| 71a | 0.25kw | 0.33HP | 1390rpm | 230/400V | 0.82A | 66 | 0,67 | 3,5 | 2,50 | 2,60 | 1.72Nm | 5.3kg |
| 71b | 0.37kw | 0.5HP | 1390rpm | 230/400V | 1.1A | 70 | 0,69 | 3,4 | 2,40 | 2,70 | 2.54Nm | 6.4kg |
| 71c | 0.55kw | 0.75HP | 1390rpm | 230/400V | 1.45A | 74 | 0,74 | 3,7 | 2,50 | 2,70 | 3.78Nm | 7.6kg |
| 71e | 0.75kw | 1HP | 1390rpm | 230/400V | 2A | 74 | 0,73 | 3,6 | 2,40 | 2,60 | 5.16Nm | 8.6kg |
| 80a | 0.55kw | 0.75HP | 1400rpm | 230/400V | 1.5A | 74 | 0,72 | 4 | 2,50 | 2,60 | 3.75Nm | 9kg |
| 80b | 0.75kw | 1HP | 1410rpm | 230/400V | 1.9A | 77 | 0,74 | 4,1 | 2,50 | 2,70 | 5.08Nm | 9.7kg |
| 80d | 1.1kw | 1.5HP | 1410rpm | 230/400V | 2.6A | 76 | 0,80 | 4,2 | 2,60 | 2,70 | 7.45Nm | 11.8kg |
| 90Sa | 1.1kw | 1.5HP | 1420rpm | 230/400V | 2.7A | 77 | 0,76 | 4,4 | 2,40 | 2,60 | 7.40Nm | 13kg |
| 90Lb | 1.5kw | 2HP | 1420rpm | 230/400V | 3.8A | 75 | 0,76 | 4,5 | 2,50 | 2,70 | 10.09Nm | 15kg |
| 90Ld | 2.2kw | 3HP | 1400rpm | 230/400V | 5.5A | 75 | 0,77 | 4,5 | 2,40 | 2,60 | 15.01Nm | 17.5kg |
| 100La | 2.2kw | 3HP | 1420rpm | 230/400V | 5.3A | 80 | 0,75 | 4,8 | 2,40 | 2,50 | 14.80Nm | 19.7kg |
| 100Lb | 3kw | 4HP | 1430rpm | 230/400V | 6.9A | 82 | 0,77 | 5 | 2,30 | 2,50 | 20.04Nm | 22.9kg |
| 100Ld | 4kw | 5.5HP | 1420rpm | 230/400V | 9.2A | 80 | 0,79 | 5 | 2,30 | 2,50 | 26.91Nm | 24.3kg |
| 112Mb | 4kw | 5.5HP | 1430rpm | 230/400V | 8.7A | 82 | 0,81 | 5,2 | 2,50 | 2,80 | 26.72Nm | 28.3kg |
| 112Mc | 5.5kw | 7.5HP | 1420rpm | 400/690V | 12A | 83 | 0,80 | 5,3 | 2,50 | 3,00 | 37.01Nm | 31kg |
| 132Sa | 5.5kw | 7.5HP | 1430rpm | 400/690V | 12.4A | 84 | 0,76 | 5,8 | 2,50 | 2,80 | 36.75Nm | 41.5kg |
| 132Mb | 7.5kw | 10HP | 1440rpm | 400/690V | 16.3A | 85 | 0,78 | 6 | 2,50 | 3,00 | 49.76Nm | 49kg |
| 132Mc | 9.2kw | 12.5HP | 1450rpm | 400/690V | 20A | 85 | 0,78 | 5,4 | 3,00 | 3,10 | 60.62Nm | 55kg |
| 132Md | 11kw | 15HP | 1450rpm | 400/690V | 25A | 85 | 0,75 | 5,6 | 2,80 | 3,00 | 72.48Nm | 58kg |
| 160Ma | 11kw | 15HP | 1460rpm | 400/690V | 22A | 88 | 0,82 | 5,6 | 2,10 | 2,50 | 71.98Nm | 81kg |
| 160Lb | 15kw | 20HP | 1465rpm | 400/690V | 29.3A | 89 | 0,83 | 5,8 | 2,30 | 2,70 | 97.82Nm | 94kg |
| 160Lc | 18.5kw | 25HP | 1460rpm | 400/690V | 37A | 90 | 0,80 | 5,9 | 2,20 | 2,40 | 121.06Nm | 107kg |
| 160Ld | 22kw | 30HP | 1460rpm | 400/690V | 44A | 90 | 0,80 | 6,2 | 2,30 | 2,40 | 143.97Nm | 119kg |
Aceste informații detaliate sunt despre dimensiunile și specificațiile tehnice ale acestui motor electric asincron trifazat, ce pot fi folosite pentru a îmbunătăți descrierea produselor de pe site-ul aLLindustriaL.ro, oferind clienților toate detaliile necesare pentru a face alegerea potrivită!

