Motor electric trifazat 0.25kw 3000rpm 63 B5 IE2 aLL
Acest Motor electric trifazat 0.25kw 3000rpm 63 B5 IE2 aLL este special proiectat pentru aplicații industriale care necesită turație ridicată și o cuplare directă, rigidă prin flanșă mare (B5). Motorul se încadrează în Clasa de eficiență IE2 (High Efficiency) și optimizează consumul de energie electrică.
Carcasa din Aluminiu (Gabarit 63) asigură o greutate redusă (~4.5 kg) și o disipare eficientă a căldurii, fiind ideal pentru integrarea pe reductoare, pompe sau ventilatoare compatibile B5. Cu un cuplu nominal de 0.84 Nm și o turație de lucru de 2840 rot/min, reprezintă o soluție performantă, eficientă energetic și fiabilă pentru acționările directe rapide de mică putere.
Caracteristici Cheie Motor electric trifazat 0.25kw 3000rpm 63 B5 IE2 aLL
-
Eficiență Energetică IE2: Clasa IE2 reduce costurile de operare și oferă un randament excelent (Randament maxim: 91.3% conform fișei tehnice).
-
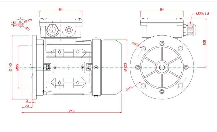
Montaj Robust B5: Flanșa mare (140 mm) și axul de Ø11 mm asigură o conexiune rigidă și perfect aliniată cu reductoarele sau pompele cuplate direct.
-
Putere Versatilă: 0.25 kW, optim pentru echipamentele de mică putere care necesită cuplare directă B5 și turație ridicată (2840 min-1).
-
Durabilitate Industrială: Etanșat la standard IP55 și echipat cu protecție termică PTC 120 °C (Termistor) și rulmenți 6201-ZZ-C3 pentru fiabilitate sporită sub sarcină.
-
Construcție Ușoară: Carcasă din Aluminiu (4.5 kg) și bobinaj din Cupru pentru răcire optimă și longevitate.
-
Performanță Stabilă: Livrează un cuplu nominal de 0.84 Nm și are un factor de putere bun (cos φ 0.78).
Specificații Tehnice Motor electric trifazat 0.25kw 3000rpm 63 B5 IE2 aLL
| Caracteristică | Valoare |
| Putere motor | 0.25 kW |
| Turație Nominală (50 Hz) | 2840 rot/min |
| Cuplu Nominal (Torque) | 0.84 Nm |
| Curent Nominal (400 V) | 0.51 A |
| Tensiune (50 Hz) | 230 V (Delta) / 400 V (Y) |
| Gabarit (Frame size) | 63 |
| Tip montaj | Flanșă Mare (B5) |
| Diametru ax | 11 mm |
| Diametru flanșă | 140 mm |
| Clasă de eficiență | IE2 |
| Randament (100% sarcină) | 91.3 % |
| Factor de putere (50 Hz) | 0.78 |
| Grad de protecție | IP55 |
| Protecție termică | PTC 120 °C |
| Greutate (aproximativ) | 4.5 kg |
Aplicații Recomandate Motor electric trifazat 0.25kw 3000rpm 63 B5 IE2 aLL
Acest model cu eficiență IE2 și montaj B5 este ideal pentru cuplarea directă la:
-
Reductoare: Reductoare melcate sau cilindrice mici, cu intrare pe flanșă B5.
-
Echipamente de Fluidizare: Pompe centrifugale, ventilatoare axiale și agitatoare cu montaj rigid pe flanșă.
-
Automatizări: Mașini de ambalat, etichetat sau dozat care necesită o conexiune directă B5.
Alegeți eficiența IE2 și montajul rigid B5. Contactați-ne pentru consultanță!

