Motor electric trifazat 0.25kw 750rpm 80 B5
Caracteristici Motor electric trifazat 0.25kw 750rpm 80 B5:
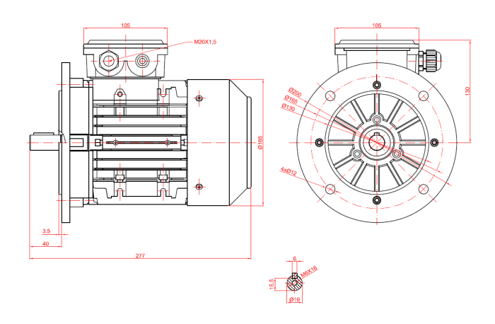
- Putere: 0,25kw
- Turatie: 750rpm/8poli
- Gabarit: 80
- Diametru AX: 19mm
- Fixare: Flansa mare
- Prindere: B5
- Diametru flansa: 200mm
Un motor electric trifazat este un tip de motor electric care are trei faze de alimentare pentru a genera energie mecanică. Acest motor are o putere de 0,25 kW, ceea ce înseamnă că poate genera o cantitate considerabilă de energie. Datorită acestui fapt este potrivit pentru a fi utilizat în multiple aplicații industriale și comerciale.
O altă caracteristică a acestui motor este că are o turatie de 750rpm, ceea ce înseamnă că este capabil să genereze energie la o viteză consistentă. Motorul are un număr de 8 poli, ceea ce este important pentru a putea genera o putere de ieșire de 0,25 kW. Axul motorului are un diametru de 19 mm, care permite o fixare puternică și sigură într-o varietate de aplicații.
De asemenea, motorul are o flansă mare, care este utilizată pentru fixarea sa într-o poziție stabilă în timpul utilizării. Această flansă mare ajută la reducerea vibrațiilor și a zgomotului în timpul funcționării motorului și asigură funcționarea acestuia la nivel optim.
În concluzie, acest motor electric trifazat de 0,25 kW și turatie de 750rpm cu diametru de ax de 19 mm și fixare prin flansa mare este un echipament puternic și fiabil, potrivit pentru a fi utilizat într-o varietate de aplicații industriale și comerciale. Fiind compact, poate fi instalat ușor și poate fi întreținut ușor, făcându-l o alegere ideală pentru cei care doresc să își optimizeze procesele de producție.


