Motor electric trifazat 0.55kw 3000rpm 71 B5 IE2 aLL
Acest motor electric trifazat 0.55kw 3000rpm 71 B5 IE2 aLL se distinge prin eficiența energetică superioară (Clasa IE2) și sistemul de montaj robust pe flanșă mare (B5). Este proiectat special pentru aplicații industriale care necesită o conexiune rigidă și precisă între motor și echipamentul antrenat, eliminând necesitatea tălpilor de susținere.
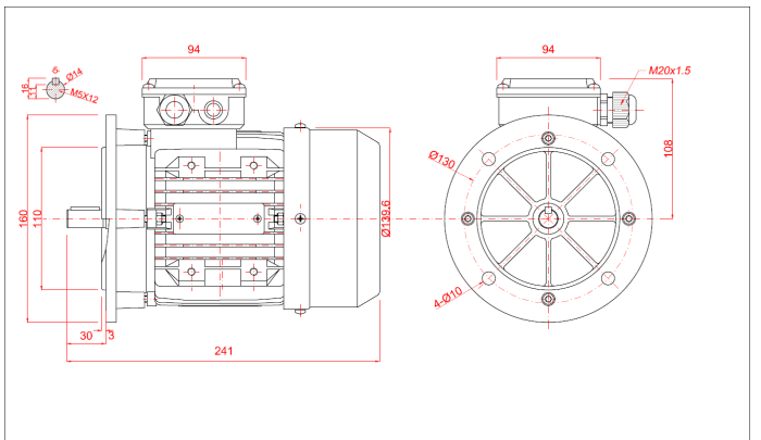
Carcasa din Aluminiu (Gabarit 71) menține o greutate redusă (~7 kg) și asigură o disipare termică optimă. Datorită standardului IE2 (High Efficiency), acest motor reduce pierderile de energie, transformând mai eficient curentul în putere mecanică. Cu un cuplu nominal de 1.85 Nm și o turație de ~2840 rot/min, reprezintă soluția ideală pentru acționări directe, rapide și economice pe termen lung.
Caracteristici Cheie Motor electric trifazat 0.55kw 3000rpm 71 B5 IE2 aLL
- Economie de Energie (IE2): Randamentul superior (~77%) față de motoarele standard contribuie la reducerea facturilor de electricitate și a amprentei de carbon.
- Montaj Rigid B5: Flanșa mare (Diametru exterior 160 mm) împreună cu axul de Ø14 mm asigură o stabilitate mecanică excepțională și o aliniere perfectă cu reductoarele sau pompele cuplate.
-
Putere Dinamică: 0.55 kW la 2 poli (3000 RPM nominal), ideal pentru aplicații cu inerție mică și medie care necesită accelerare rapidă.
-
Fiabilitate Industrială: Bobinajul din Cupru 100% și protecția termică PTC 120 °C previn supraîncălzirea și prelungesc durata de viață a motorului.
-
Protecție IP55: Carcasa etanșă protejează componentele interne împotriva prafului și a stropirii cu apă.
-
Mentenanță Redusă: Rulmenții de calitate (6202-ZZ-C3) și construcția robustă reduc necesitatea intervențiilor frecvente.
Specificații Tehnice Motor electric trifazat 0.55kw 3000rpm 71 B5 IE2 aLL
| Caracteristică | Valoare |
| Putere motor | 0.55 kW |
| Turație Nominală (50 Hz) | ~2840 rot/min |
| Cuplu Nominal (Torque) | 1.85 Nm |
| Curent Nominal (400 V) | ~1.05 A |
| Tensiune (50 Hz) | 230 V (Delta) / 400 V (Y) |
| Gabarit (Frame size) | 71 |
| Tip montaj | Flanșă Mare (B5) |
| Diametru ax | 14 mm |
| Diametru flanșă | 160 mm |
| Clasă de eficiență | IE2 |
| Randament (100% sarcină) | ~77 % |
| Factor de putere (cos varphi 50 Hz) | ~0.81 |
| Grad de protecție | IP55 |
| Protecție termică | PTC 120 °C |
| Greutate (aproximativ) | 7 kg |
Aplicații Recomandate
Combinația dintre eficiența IE2 și flanșa mare B5 recomandă acest motor pentru:
-
Reductoare de Turație: Cuplare directă pe reductoare melcate sau coaxiale care necesită intrare pe flanșă de 160mm.
-
Pompe Industriale: Acționarea pompelor centrifuge și volumetrice unde motorul susține sau este susținut de corpul pompei.
-
Ventilație Axială: Ventilatoare montate direct pe motor în tuneluri de ventilație.
-
Mixere și Agitatoare: Fixare verticală sau orizontală rigidă pe rezervoare.
Optați pentru stabilitatea B5 și eficiența IE2. Contactați-ne pentru oferta completă!

