Motor electric trifazat 0.55kw 3000rpm 71 B5
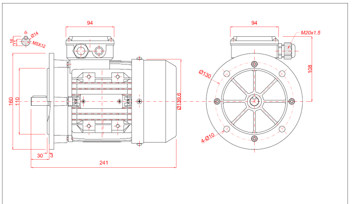
Acest motor electric trifazat 0.55kw 3000rpm 71 B5 este proiectat pentru a asigura o conexiune mecanică solidă și precisă în aplicațiile industriale care necesită turație ridicată și montaj frontal rigid. Construit pe un șasiu de Gabarit 71 din Aluminiu, motorul oferă un raport optim între putere și dimensiuni, cu o greutate de ~7 kg.
Sistemul de montaj pe flanșă mare (B5) permite fixarea „în consolă” direct pe echipamente (pompe, reductoare), eliminând necesitatea alinierii complexe pe tălpi. Motorul dezvoltă un cuplu de 1.88 Nm la o turație de 2800 rot/min, fiind o soluție fiabilă și eficientă pentru procesele continue.
Caracteristici Cheie și Beneficii Motor electric trifazat 0.55kw 3000rpm 71 B5
-
Montaj Rigid B5: Flanșa supradimensionată (160 mm diametru) asigură o fixare extrem de stabilă, preluând sarcinile axiale și reducând vibrațiile în transmisiile directe.
-
Putere Dinamică: 0.55 kW disponibili constant, ideali pentru pornirea rapidă a ventilatoarelor, pompelor sau a altor sarcini cu inerție redusă.
-
Construcție Robustă: Carcasa din aluminiu disipă eficient căldura, iar axul de Ø14 mm este dimensionat pentru a rezista la cuplul nominal fără torsiune.
-
Fiabilitate Industrială: Bobinaj din Cupru 100%, protecție IP55 și senzori termici incluși pentru siguranță operațională.
-
Eficiență Standard: Randamentul de 72% oferă performanță adecvată pentru clasa sa de putere, la un cost competitiv.
Specificații Tehnice Motor electric trifazat 0.55kw 3000rpm 71 B5
Aplicații Recomandate Motor electric trifazat 0.55kw 3000rpm 71 B5
Datorită flanșei B5 și puterii de 0.55 kW, acest motor este recomandat pentru:
-
Pompe Industriale: Acționarea pompelor centrifuge monobloc.
-
Reductoare: Cuplare directă pe reductoare cu flanșă de intrare B5.
-
Ventilație: Ventilatoare axiale montate pe carcasă.
-
Mașini-Unelte: Polizoare sau freze mici cu montaj frontal.
-
Automatizări: Sisteme de poziționare și acționare directă.
Alegeți precizia montajului B5 și puterea de 0.55 kW. Contactați-ne pentru detalii!

