Motor electric trifazat 1.1kw 3000rpm 80 B5 aLL
Acest motor electric trifazat 1.1kw 3000rpm 80 B5 aLL este o soluție de acționare puternică și robustă, proiectată pentru aplicații industriale care necesită turație ridicată (~3000 rot/min) și stabilitate mecanică. Construit pe un Gabarit 80, motorul oferă o structură solidă și o răcire eficientă.
Montajul pe tălpi (B3) asigură o fixare versatilă și sigură pe orice platformă sau cadru metalic. Motorul oferă un echilibru optim între performanță și costul de achiziție, livrând un cuplu nominal consistent de 3.66 Nm la o turație de ~2870 rot/min.
Caracteristici Cheie și Beneficii Motor electric trifazat 1.1kw 3000rpm 80 B5 aLL
-
Performanță Standard: Cu un randament de ~79%, motorul asigură o funcționare fiabilă și economică pentru aplicațiile standard, conform normelor industriale.
-
Putere Industrială (1.1 kW): Cei 1.5 Cai Putere sunt livrați într-un format compact dar robust (Gabarit 80), ideal pentru sarcini medii care depășesc capacitatea motoarelor sub-unitare.
-
Montaj Stabil B3: Tălpile de fixare permit o instalare rapidă și lipsită de vibrații, facilitând alinierea pentru transmisii prin curele sau cuplaje elastice.
-
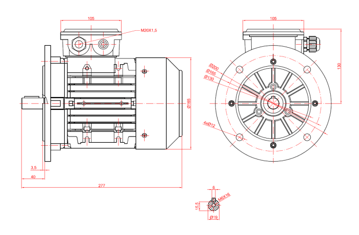
Ax Robust (Ø19 mm): Diametrul axului de 19 mm (specific Gabaritului 80) oferă o rezistență superioară la torsiune și sarcini radiale față de motoarele mai mici.
-
Durabilitate Industrială: Proiectat pentru regim continuu (S1), cu protecție IP55 (praf și apă) și protecție termică PTC 120 °C inclusă pentru siguranță.
-
Construcție de Calitate: Bobinaj din Cupru 100% și carcasă din aluminiu pentru o disipare optimă a căldurii.
Specificații Tehnice Detaliate Motor electric trifazat 1.1kw 3000rpm 80 B5 aLL
| Caracteristică | Valoare |
| Putere motor | 1.1 kW (1.5 CP) |
| Turație Nominală (50 Hz) | ~2870 rot/min |
| Cuplu Nominal (Torque) | 3.66 Nm |
| Curent Nominal (400 V) | ~2.44 A |
| Tensiune (50 Hz) | 230 V (Delta) / 400 V (Y) |
| Gabarit (Frame size) | 80 |
| Tip montaj | Pe tălpi (B3) |
| Diametru ax | 19 mm |
| Bobinaj | Cupru |
| Randament (100% sarcină) | ~79 % |
| Factor de putere (50 Hz) | ~0.83 |
| Grad de protecție | IP55 |
| Protecție termică | PTC 120 °C |
| Greutate (aproximativ) | 9.95 kg |
Aplicații Recomandate
Acest model cu eficiență și montaj B3 este ideal pentru:
-
Sisteme de Ventilație: Ventilatoare industriale și exhaustoare standard.
-
Pompe de Apă: Stații de pompare mici și medii.
-
Linii de Transport: Benzi transportoare și elevatoare pentru materiale vrac.
-
Prelucrare: Mașini de găurit, polizoare și compresoare de aer de uz general.
-
Agricultură: Mori și echipamente de procesare a cerealelor.
Alegeți puterea de 1.1 kW și fiabilitatea montajului B3. Contactați-ne pentru detalii!

