Motor electric trifazat 1.5kw 1400rpm 90 B3 aLL
Pentru aplicațiile industriale care necesită fiabilitate, un cuplu constant și o viteză de lucru standard, motor electric trifazat 1.5kw 1400rpm 90 B3 aLL este calul de bătaie pe care vă puteți baza. Proiectat pentru o funcționare eficientă și de lungă durată, acest motor este soluția ideală pentru o gamă extrem de variată de mașini și utilaje, de la benzi transportoare la pompe și sisteme de acționare generale.
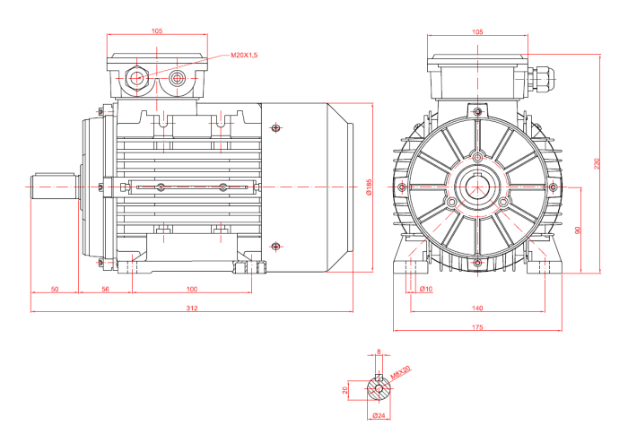
Construcția clasică cu montaj pe tălpi (B3) asigură o instalare simplă și robustă pe orice banc de lucru sau platformă, oferind o flexibilitate maximă în proiectare. Carcasa din aluminiu garantează o răcire optimă, iar alimentarea trifazată îi conferă un randament energetic superior și o operare lină, fiind perfect adaptat pentru utilizare continuă în medii industriale.
Avantaje Principale Motor electric trifazat 1.5kw 1400rpm 90 B3 aLL
- Performanță Echilibrată (1400 rpm): Turația de 1400 de rotații pe minut (4 poli) este standardul industrial, oferind un echilibru perfect între cuplu și viteză, ideal pentru majoritatea aplicațiilor de uz general.
- Montaj Standardizat și Versatil (B3): Prinderea pe tălpi este cea mai comună și flexibilă metodă de montaj, permițând o instalare rapidă și o aliniere ușoară cu alte componente mecanice.
- Construcție Fiabilă și Durabilă: Realizat cu o carcasă de aluminiu și bobinaj din cupru de înaltă calitate. Gradul de protecție IP55 îl face rezistent la praf și la jeturi de apă.
- Eficiență Trifazată: Beneficiază de toate avantajele alimentării trifazate – eficiență energetică superioară, cuplu constant la pornire și o durată de viață extinsă.
Specificații Tehnice Motor electric trifazat 1.5kw 1400rpm 90 B3 aLL
Aplicații Ideale pentru Modelul 90 B3 (1400rpm)
Acest motor versatil este proiectat pentru a excela în următoarele aplicații:
- Benzi transportoare de viteză medie: Pentru linii de asamblare, sortare sau transport în depozite.
- Agitatoare și malaxoare: Pentru amestecarea lichidelor sau a materialelor de vâscozitate redusă.
- Pompe de apă și sisteme de irigații: Acționarea pompelor centrifugale sau cu angrenaje.
- Mașini agricole: Utilizat în acționarea diverselor componente ale utilajelor agricole de mici dimensiuni.
- Acționări generale în industrie: Porți automatizate, mașini de ambalat, polizoare de banc și alte echipamente de atelier.
Ghid de Alegere Corectă
Asigurați-vă că platforma de montaj a echipamentului dumneavoastră este compatibilă cu un motor cu prindere pe tălpi (B3). Verificați dimensiunile și distanța între găurile de fixare pentru o potrivire perfectă. Dacă aplicația necesită o cuplare directă pe fața utilajului, vă recomandăm varianta cu flanșă mică (B14) sau cu flanșă mare (B5).
Contactați echipa noastră de specialiști pentru consultanță tehnică și pentru a vă asigura că alegeți motorul perfect pentru aplicația dumneavoastră.

