Motor electric trifazat 1.5kw 3000rpm 80 B14
Acest motor electric trifazat 1.5kw 3000rpm 80 B14 este o unitate de putere mare, proiectată pentru sarcini industriale la viteze foarte mari, de aproape 3000 rot/min (2 poli). Motorul se livrează cu montaj pe flanșă mică (B14), fiind soluția ideală pentru cuplarea directă, rigidă și ultra-compactă la reductoare sau utilaje care necesită un ax gros și o putere semnificativă.
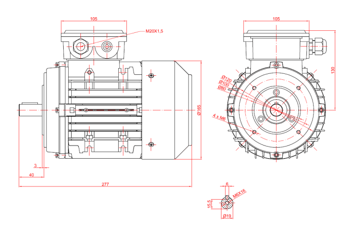
Carcasa de tip Gabarit 80 este construită din Aluminiu, asigurând o masă optimizată de 10.7 kg, și oferă o răcire eficientă prin ventilație externă (IC 411). Motorul oferă un cuplu nominal de 5.06 Nm la o turație de lucru de 2830 rot/min (la 50 Hz). Caracteristicile sale cheie includ diametrul axului de 19 mm și un gabarit superior (80), care îi conferă o rezistență mecanică sporită în punctul de cuplare.
Caracteristici Cheie Motor electric trifazat 1.5kw 3000rpm 80 B14
- Putere Mare, Turație Înaltă: Cu 1.5 kW și un cuplu nominal de 5.06 Nm, acest motor este conceput pentru a face față sarcinilor grele la viteză mare, cu un consum de curent de 3.2 A la 400 V.
- Ax Robust (19 mm): Diametrul axului de 19 mm (specific gabaritului 80) oferă o rezistență mecanică superioară la forțele radiale și axiale, fiind excelent pentru transmisii solicitante.
- Montaj Compact B14 (Flanșă Mică): Prinderea pe flanșă mică (B14), cu diametrul flanșei de 120 mm, permite integrarea directă și precisă în utilaj, optimizând spațiul.
- Eficiență Energetică: Asigură un randament de 81% și un Factor de Putere (cos phi) de 0.84.
- Fiabilitate Industrială: Proiectat pentru serviciu continuu (S1), cu bobinaj de cupru și protejat la standardul IP55 (rezistență la praf și jeturi de apă).
- Viteză Nominală: Livrează o turație nominală de 2830 min-1, ideală pentru aplicațiile care necesită mișcare rapidă și constantă.
Aplicații Recomandate
Acest motor este ideal pentru aplicațiile care necesită un ax mai gros și putere mare într-un design compact, datorită montajului B14:
- Cuplare Directă la Reductoare: Soluție standard pentru a se conecta direct la reductoare de turație cu flanșă de intrare B14, utilizate în linii de producție cu sarcini sporite.
- Pompe Industriale: Utilizat pentru acționarea pompelor centrifugale, hidraulice sau de transfer de capacitate medie/mare, unde motorul se integrează în structura pompei.
- Mașini-Unelte: Potrivit pentru acționarea mașinilor de frezat, strunjit sau prelucrare de dimensiuni medii/mari care necesită un ax rezistent (19 mm).
- Ventilatoare și Suflante de Proces: Folosit pentru a acționa ventilatoare industriale cu cuplare directă, profitând de rigiditatea prinderii pe flanșă mică.
Specificații Tehnice Motor electric trifazat 1.5kw 3000rpm 80 B14
| Caracteristică | Valoare |
| Putere motor | 1.5 kW |
| Turație nominală (50 Hz) | 2830 rot/min |
| Tensiune (50 Hz) | 230 V (Triunghi) / 400 V (Stea) |
| Curent nominal (400 V / 50 Hz) | 3.2 A |
| Cuplu nominal (Torque) | 5.06 Nm |
| Gabarit (Frame size) | 80 |
| Tip montaj | Pe flanșă mică (B14) |
| Diametru ax | 19 mm |
| Diametru flanșă | 120 mm |
| Randament (la 100% sarcină) | 81% |
| Factor de putere (cos phi 50 Hz) | 0.84 |
| Grad de protecție | IP55 |
| Material carcasă | Aluminiu |
| Greutate | 10.7 kg |
| Bobinaj | Cupru |

