Motor electric trifazat 11kw 3000rpm 132 B14 IE2 aLL
Când aplicația dumneavoastră necesită o putere mare, dar spațiul de montaj este restricționat, acest motor electric trifazat 11kw 3000rpm 132 B14 IE2 aLL din Gabaritul 132 cu prindere B14 (Flanșă Mică) este soluția tehnică optimă. Spre deosebire de motoarele standard cu carcasă din aluminiu, acest model de 11 kW este construit cu o carcasă robustă, oferind masa și rigiditatea necesare pentru a absorbi vibrațiile generate la 2930 rot/min.
Motorul livrează un cuplu impresionant de 35.87 Nm, gestionat eficient datorită clasei IE2. Aceasta asigură un randament de aproape 90%, transformând energia electrică în forță mecanică cu pierderi minime, un aspect critic pentru motoarele de această putere unde consumul de curent este semnificativ.
De ce acest motor de 11kW este o investiție sigură?
-
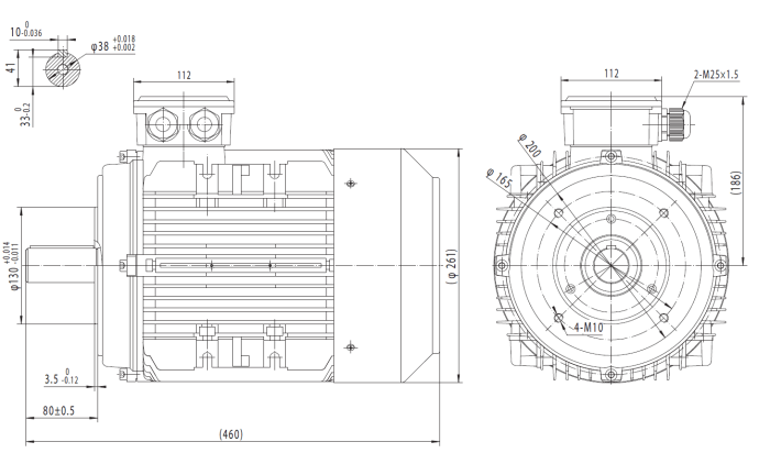
Flanșă B14 pentru Gabarit 132: Prinderea atipică B14 (cu găuri filetate în corpul motorului, pe un diametru de 200 mm) permite montarea directă pe pompe de înaltă presiune sau grupuri hidraulice compacte, eliminând necesitatea unor adaptori voluminoși.
-
Ax Solid de 38 mm: Diametrul generos al axului este calculat să reziste la șocurile mecanice la pornire și la forțele radiale intense specifice antrenării prin curele sau cuplaje directe.
-
Costuri Operaționale Reduse: Cu un factor de putere de 0.9 și eficiență IE2, motorul maximizează utilizarea curentului absorbit (19.7 A), reducând penalizările pentru energia reactivă.
-
Fiabilitate în Medii Grele: Protecția IP55 și bobinajul din cupru clasa F permit funcționarea în medii industriale cu praf, umiditate și variații de temperatură.
Specificații Motor electric trifazat 11kw 3000rpm 132 B14 IE2 aLL
Vă rugăm să verificați compatibilitatea electrică și mecanică înainte de instalare.
| Specificație Tehnică | Valoare |
| Putere Nominală | 11 kW (15 CP) |
| Turație (Nominală) | 2930 rot/min (2 Poli) |
| Cuplu Nominal | 35.87 Nm |
| Tip Montaj | B14 (Flanșă Mică) |
| Gabarit (Frame Size) | 132 |
| Diametru Ax | 38 mm |
| Diametru Flanșă (Exterior) | 200 mm |
| Material Carcasă | Aluminiu |
| Tensiune Alimentare | 400 V / 690 V (Configurație uzuală) |
| Curent Nominal (la 400V) | 19.7 A |
| Clasa de Eficiență | IE2 (Randament 89.4%) |
| Greutate | 56.5 kg |
Aplicații Industriale Recomandate Motor electric trifazat 11kw 3000rpm 132 B14 IE2 aLL
Combinația rară de putere mare (11kW) și flanșă B14 face acest motor indispensabil pentru:
-
Hidraulică de Forță: Acționarea pompelor hidraulice care necesită prindere compactă direct pe „clopotul” de cuplare.
-
Pompe de Apă Industriale: Sisteme de irigații de mare capacitate sau pompe de presiune pentru spălătorii industriale.
-
Compresoare cu Șurub: Unități de compresie care necesită turație constantă și cuplu mare la pornire.
-
Sisteme de Exhaustare: Ventilatoare centrifugale mari montate în tubulatură, unde vibrațiile trebuie minimizate prin masa proprie a motorului.
Notă Tehnică: B14 la Gabarit 132
Atenție! La gabaritul 132, flanșa B14 are un diametru exterior de 200 mm și găuri filetate.
A nu se confunda cu flanșa B5, care la acest gabarit are un diametru de 300 mm și găuri trecătoare. Verificați flanșa utilajului dumneavoastră!



