Motor electric trifazat 11kw 3000rpm 132 B3
Acest motor electric trifazat 11kw 3000rpm 132 B3 este o unitate de putere mare, proiectată pentru sarcini industriale la viteze foarte mari, de aproape 3000 rot/min (2 poli). Motorul se livrează cu montaj pe tălpi (B3), tipul clasic de prindere, oferind o fixare stabilă și universală pe o bază plană sau șasiu.
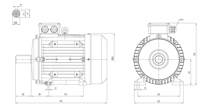
Carcasa de tip Gabarit 132 este construită, de regulă, din Aluminiu (sau fontă, în funcție de cerințe), asigurând o masă optimizată de 54 kg și oferă o răcire eficientă prin ventilație externă (IC 411). Motorul oferă un cuplu nominal de 35.99 Nm (estimat, conform tabelului pentru 132Md 11kW) la o turație de lucru de ~2920 rot/min (estimată, la 50 Hz). Caracteristica sa distinctivă este diametrul axului de 38 mm, care, împreună cu montajul B3, îi conferă rezistența mecanică necesară pentru sarcini grele care folosesc transmisii indirecte (curele, roți dințate).
Caracteristici Cheie Motor electric trifazat 11kw 3000rpm 132 B3
- Putere Mare, Turație Înaltă: Cu 11 kW și o turație nominală de ~2920 min-1, asigură puterea și viteza necesară pentru acționarea echipamentelor industriale de mare intensitate.
- Ax Foarte Robust (38 mm): Diametrul axului de 38 mm (specific gabaritului 132) oferă o rezistență mecanică excelentă la forțele radiale, fiind optim pentru transmisii cu curele.
- Montaj Universal B3 (Tălpi): Fixarea pe tălpi permite o instalare simplă, stabilă și universală pe orice structură de susținere, facilitând alinierea cu transmisii mecanice externe.
- Eficiență și Fiabilitate: Asigură un randament înalt (estimat la 88%).
- Protecție Industrială: Protejat la standardul IP55 (rezistență la praf și jeturi de apă), fiind adecvat pentru medii industriale dure.
- Conexiune Versatilă: Funcționează pe rețele trifazate de 400 V (conexiune Stea) cu un curent nominal de 21 A (estimat).
Aplicații Recomandate (Focus pe Putere Mare și Montaj B3)
Montajul pe tălpi (B3) și axul robust îl fac ideal pentru aplicațiile staționare care necesită forță și o bază stabilă:
- Acționarea Benzi Transportoare și Elevatoare: Excelent pentru benzile transportoare și elevatoarele de mare capacitate care folosesc transmisie prin curele, având un ax rezistent la sarcini laterale.
- Pompe și Compresoare cu Bază: Utilizat pentru pompele centrifugale, compresoarele și suflantele care necesită o bază fixă și un ax rezistent.
- Mașini-Unelte Staționare: Ideal ca motor de antrenare pentru mașini de prelucrare de dimensiuni medii/mari.
- Acționări Generale de Proces: Orice aplicație staționară care necesită o putere de 11 kW la turație mare și permite fixarea clasică pe talpă.
Specificații Tehnice Motor electric trifazat 11kw 3000rpm 132 B3
| Caracteristică | Valoare (Conform Gabarit 132, 2 poli) |
| Putere motor | 11 kW |
| Turație nominală (50 Hz) | ~2920 rot/min |
| Tensiune (50 Hz) | 230 V (Triunghi) / 400 V (Stea) |
| Curent nominal (400 V / 50 Hz) | ~21 A |
| Cuplu nominal (Torque) | ~35.99 Nm |
| Gabarit (Frame size) | 132 |
| Tip montaj | Pe tălpi (B3) |
| Diametru ax | 38 mm |
| Randament (la 100% sarcină) | ~88% |
| Factor de putere (cos phi 50 Hz) | ~0.86 |
| Grad de protecție | IP55 |
| Material carcasă | Aluminiu/Fontă |
| Greutate | 54 kg |
| Răcire | IC 411 (Ventilat) |


