Motor electric trifazat 11kw 3000rpm 132 B3 IE2 aLL
Acest motor electric trifazat 11kw 3000rpm 132 B3 IE2 aLL reprezintă soluția optimă pentru aplicațiile staționare care necesită o transmisie de putere fiabilă. Spre deosebire de motoarele ușoare, acest model din Gabaritul 132 beneficiază de o carcasă masivă din fontă, având o greutate proprie de 56.5 kg. Această masă suplimentară este un avantaj critic: ea absoarbe vibrațiile naturale generate la turația de 3000 rpm și asigură o aliniere rigidă a rulmenților, prelungind viața echipamentului.
Sistemul de montaj B3 (Prindere pe Talpă) este standardul industrial pentru fixarea pe șasiuri metalice sau fundații de beton, fiind ideal pentru antrenarea prin curele și fulii, unde tensiunea radială asupra axului este mare. Eficiența IE2 garantează că motorul transformă energia electrică în forță mecanică cu un randament ridicat (~89.4%), menținând costurile de producție sub control.
5 Motive pentru a alege acest motor de 11kW cu carcasă din fontă
-
Amortizare Superioară a Vibrațiilor: Fonta este un material rigid care nu se deformează sub sarcină și care „înghite” zgomotul și trepidațiile, fiind ideal pentru mori cu ciocane sau compresoare mari.
-
Montaj Universal pe Talpă (B3): Tălpile solide, turnate corp comun cu carcasa, permit o fixare extrem de sigură. Acest lucru previne „deplasarea” motorului în timp din cauza tensiunii curelelor de transmisie.
-
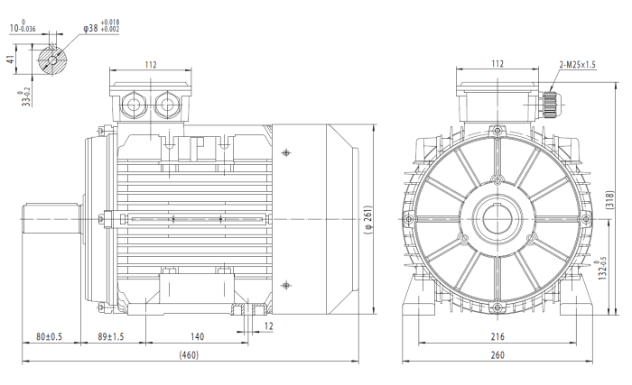
Ax de Tracțiune de 38 mm: Diametrul axului este dimensionat pentru a rezista la cuplul de pornire puternic și la forțele laterale exercitate de fuliile mari.
-
Performanță Electrică Stabilă: Cu un curent nominal de ~19.7 A și un factor de putere de 0.9, motorul funcționează eficient în rețelele industriale de 400V, fără a suprasolicita instalația.
-
Rezistență la Mediu: Clasificat IP55, motorul este protejat împotriva pătrunderii rumegușului, prafului de ciment sau a stropilor de apă, fiind perfect pentru ateliere și șantiere.
Fișă Tehnică Motor electric trifazat 11kw 3000rpm 132 B3 IE2
Verificați dimensiunile de montaj ale tălpilor pentru a vă asigura că se potrivesc pe șasiul dumneavoastră.
| Specificație Tehnică | Valoare |
| Putere Nominală | 11 kW (15 CP) |
| Turație (Nominală) | 2930 rot/min (2 Poli) |
| Tip Montaj | B3 (Prindere pe Talpă) |
| Gabarit (Frame Size) | 132 |
| Material Carcasă | Fontă (Cast Iron) |
| Diametru Ax | 38 mm |
| Înălțime Ax (de la sol) | 132 mm |
| Tensiune Alimentare | 400 V (Configurație Uzuală) |
| Curent Nominal (la 400V) | ~19.7 A |
| Cuplu Nominal | ~36 Nm |
| Clasa de Eficiență | IE2 (High Efficiency) |
| Greutate | 56.5 kg |
Unde excelează acest motor electric trifazat 11kw 3000rpm 132 B3 IE2 aLL?
Combinația dintre puterea de 11 kW și prinderea stabilă pe talpă îl face indispensabil în:
-
Prelucrarea Lemnului: Acționarea utilajelor grele precum circulare de banc mari, abricuri industriale sau mașini de tocat resturi lemnoase.
-
Agricultură: Mori de cereale de capacitate mare și transportoare elicoidale (snecuri) lungi.
-
Aer Comprimat: Compresoare cu piston de debit mare care necesită o turație constantă.
-
Ventilație Industrială: Ventilatoare centrifugale de exhaustare montate pe cadru rigid.
Notă Tehnică: Fontă vs. Aluminiu la 11kW
La puterea de 11 kW, diferența dintre fontă și aluminiu este majoră. Carcasa din fontă oferă o rigiditate torsională mult mai mare. Dacă aplicația dumneavoastră implică șocuri mecanice dese (ex: tocătoare, mori) sau porniri frecvente în sarcină, varianta din fontă prezentată aici este alegerea net superioară față de aluminiu.


