Motor electric trifazat 15kw 3000rpm 160 B5 IE2 aLL
Acest mMotor electric trifazat 15kw 3000rpm 160 B5 IE2 aLL redefinește standardele pentru aplicațiile industriale intensive, combinând construcția masivă din Fontă cu beneficiile economice ale clasei IE2 (High Efficiency). Proiectat pentru funcționare continuă în medii solicitante, acest motor oferă un randament superior (~90.6%), reducând semnificativ costurile operaționale.
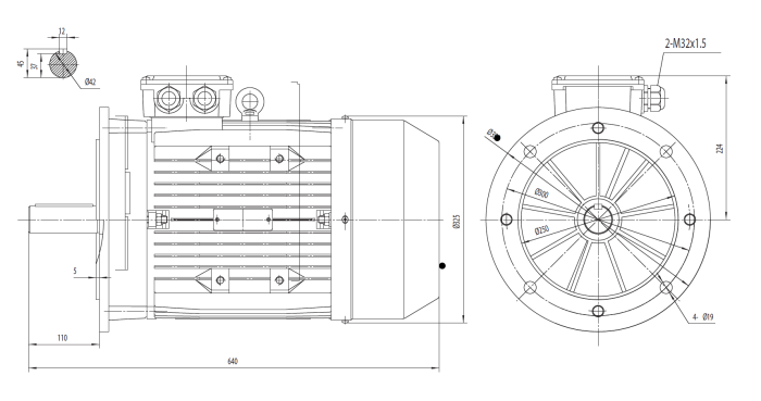
Sistemul de montaj pe flanșă mare (B5) este esențial pentru aplicațiile care necesită o cuplare rigidă și o aliniere micrometrică. Carcasa heavy-duty (Gabarit 160), cu o greutate de ~110.6 kg, absoarbe eficient vibrațiile generate la turații mari (~2945 rot/min), protejând angrenajele și rulmenții echipamentului antrenat.
Caracteristici Cheie Motor electric trifazat 15kw 3000rpm 160 B5 IE2 aLL
-
Eficiență Energetică IE2: Maximizează conversia energiei electrice în putere mecanică (Randament 90.6%), generând mai puțină căldură și scăzând facturile la utilități.
-
Stabilitate Masivă (Fontă): Corpul din fontă oferă o rigiditate structurală imbatabilă, prevenind deformările sub sarcină și asigurând funcționarea silențioasă.
-
Montaj de Precizie (Flanșă 350 mm): Flanșa B5 (Diametru exterior 350 mm, centrare 250 mm) permite fixarea „în consolă” sau verticală direct pe utilaj, eliminând necesitatea cadrelor suplimentare.
-
Ax de Transmisie Solid (Ø42 mm): Dimensionat pentru a transmite cuplul de 48.66 Nm fără efort, axul rezistă la șocuri mecanice și sarcini axiale semnificative.
-
Putere Industrială: 15 kW disponibili constant (Regim S1), susținuți de un sistem de răcire eficient și bobinaj din Cupru 100%.
-
Protecție Totală: Gradul IP55 și senzorii termici PTC 120 °C protejează motorul împotriva factorilor de mediu și a supraîncălzirii.
Specificații Tehnice Motor electric trifazat 15kw 3000rpm 160 B5 IE2 aLL
| Caracteristică | Valoare |
| Putere motor | 15 kW (20 CP) |
| Turație Nominală (50 Hz) | ~2945 rot/min |
| Cuplu Nominal (Torque) | 48.66 Nm |
| Curent Nominal (400 V) | ~27.5 A |
| Tensiune (50 Hz) | 400 V (Δ) / 690 V (Y) |
| Gabarit (Frame size) | 160 |
| Tip montaj | Flanșă Mare (B5) |
| Diametru ax | 42 mm |
| Diametru flanșă | 350 mm |
| Clasă de eficiență | IE2 |
| Randament (100% sarcină) | ~90.6 % |
| Factor de putere (cos varphi) | ~0.88 |
| Grad de protecție | IP55 |
| Material carcasă | Fontă (Cast Iron) |
| Greutate | 110.6 kg |
| Rulmenți (DE / NDE) | C&U 6309-ZZ-C3 / C&U 6209-ZZ-C3 |
| Protecție termică | PTC 120 °C |
Aplicații Recomandate
Datorită flanșei B5 și construcției robuste, acest motor este recomandat pentru:
-
Reductoare Industriale: Cuplare directă pe reductoare coaxiale sau planetare de mare putere.
-
Pompe de Proces: Acționarea pompelor centrifuge și volumetrice în industria chimică și de apă.
-
Ventilație Grea: Ventilatoare industriale de tiraj forțat montate direct pe tubulatură.
-
Compresoare cu Șurub: Unități de compresie care necesită o sursă de putere eficientă și stabilă.
-
Mixere și Reaktore: Agitatoare montate vertical pe vase de proces.
Alegeți durabilitatea fontei și eficiența IE2. Contactați-ne pentru detalii tehnice suplimentare!

