Motor electric trifazat 200kw 3000rpm 315 B3 IE2 aLL
Acest motor electric trifazat 200kw 3000rpm 315 B3 IE2 aLL este o investiție strategică pentru industria grea, combinând forța brută cu eficiența energetică superioară (IE2). Proiectat pentru a funcționa non-stop în medii solicitante, motorul oferă un randament excelent, reducând semnificativ consumul de energie electrică.
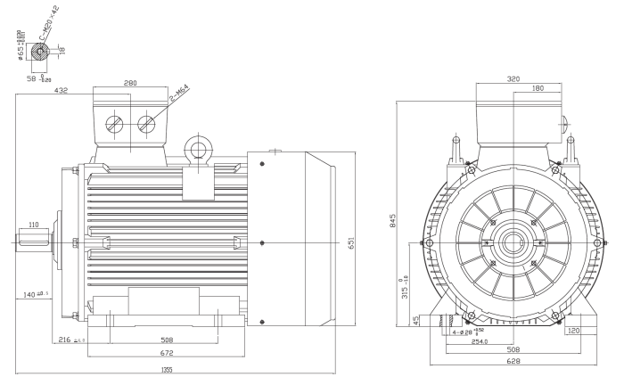
Construit pe un șasiu masiv de Gabarit 315 din Fontă, motorul cântărește ~1067.6 kg, oferind o stabilitate mecanică absolută și o rezistență la vibrații esențială pentru echipamentele de mare putere. Montajul pe tălpi (B3) asigură o fixare solidă pe fundații, permițând transmiterea sigură a cuplului de 649.33 Nm la o turație de ~2945 rot/min.
Caracteristici Cheie Motor electric trifazat 200kw 3000rpm 315 B3 IE2 aLL
-
Maximizarea Eficienței (IE2): Cu un randament estimat de ~95.4%, acest motor transformă eficient energia în putere mecanică, generând economii substanțiale la facturile de electricitate pentru marii consumatori industriali.
-
Stabilitate Extremă: Carcasa grea din fontă absoarbe șocurile mecanice și menține alinierea perfectă a componentelor interne, prelungind durata de viață a ansamblului.
-
Montaj Universal B3: Tălpile de fixare robuste permit instalarea sigură pe postamente de beton, fiind ideale pentru acționarea prin cuplaje elastice mari.
-
Putere Masivă (270 CP): 200 kW disponibili constant, capabili să antreneze sarcini cu inerție mare și să mențină turația sub sarcină.
-
Ax de Mare Capacitate: Axul robust este proiectat pentru a rezista la torsiuni extreme, fiind compatibil cu diverse tipuri de transmisii industriale.
-
Fiabilitate Extinsă: Echipat cu bobinaj din Cupru 100%, protecție IP55 și senzori termici PTC 120 °C pentru monitorizare continuă.
Specificații Tehnice Motor electric trifazat 200kw 3000rpm 315 B3 IE2 aLL
Aplicații Recomandate
Datorită eficienței IE2 și puterii masive, acest motor este recomandat pentru:
-
Ventilație Industrială: Ventilatoare de tiraj forțat sau indus în centrale electrice și mine.
-
Stații de Pompare: Pompe centrifuge de mare debit pentru rețele de apă și procese industriale.
-
Compresoare: Unități de compresie centrifugale sau cu șurub de foarte mare capacitate.
-
Procesare Materiale: Concasoare, mori cu bile și extrudere care necesită cuplu și stabilitate.
-
Energie: Generatoare și echipamente auxiliare în centrale.
Alegeți performanța IE2 și durabilitatea fontei. Contactați-ne pentru o ofertă personalizată!

