Motor electric trifazat 22kw 1400rpm 180 B5
Caracteristici Motor electric trifazat 22kw 1400rpm 180 B5:
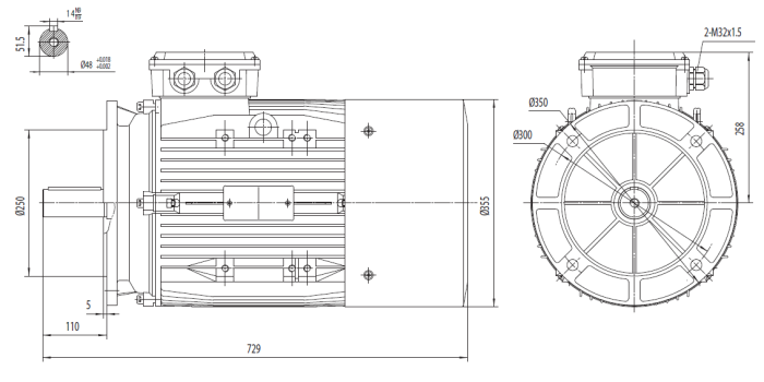
- Putere: 22kw;
- Turatie: 1400rpm/4poli;
- Gabarit: 180;
- Diametru AX: 48mm;
- Fixare: Flansa mare;
- Prindere: B5;
- Diametru flansa: 350mm;
- Bobinaj: Cupru;
Un motor electric trifazat 22kw 1400rpm 180 B5 este o mașină electromecanică care transformă energia electrică în energie mecanică prin intermediul unui câmp de inducție magnetică. Motorul este prevăzut cu trei faze de alimentare, fiecare dintre ele generând un câmp magnetic care determină rotația motorului.
Motorul electric trifazat 22kw 1400rpm 180 B5 face parte din categoria de motoare electrice de mare putere și este utilizat în mai multe domenii, cum ar fi industria, sectorul agricol sau construcțiile.
Acest tip de motor este proiectat să funcționeze cu o putere de 22kw și o turatie de 1400rpm, fiind capabil să genereze o viteză mare de rotație. Motorul are un diametru al axului de 48mm și este prevăzut cu o fixare tip flansa mare. Această caracteristică îl face mai ușor de instalat și de utilizat în aplicațiile pentru care a fost conceput.
Motorul electric trifazat 22kw 1400rpm 180 B5 are o eficiență ridicată și o durabilitate mare, datorită materialelor de calitate superioară din care a fost construit. De asemenea, acest motor este prevăzut cu sistem de protecție împotriva suprasarcinilor și a supratensiunilor, ceea ce îl face mai sigur și mai fiabil în timpul funcționării.
În concluzie, motorul electric trifazat 22kw 1400rpm 180 B5 este un echipament de înaltă performanță, proiectat pentru a asigura o funcționare eficientă și fiabilă în diferite aplicații industriale.
Datorită caracteristicilor sale tehnice și a durabilității mari, acest motor este o opțiune ideală pentru cei care caută un echipament performant și durabil pentru sarcini de mare putere.


