Motor electric trifazat 37kw 1400rpm 225 B3
Caracteristici Motor electric trifazat 37kw 1400rpm 225 B3:
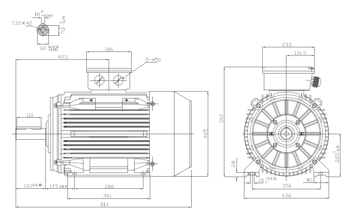
- Putere: 37kw;
- Turatie: 1400rpm/4poli;
- Gabarit: 225;
- Diametru AX: 60mm;
- Fixare: Talpa;
- Prindere: B3;
- carcasa din fonta;
- bobinaj din cupru;
- uz industrial;
Un motor electric trifazat 37kw 1400rpm 225 B3 de putere este o mașină puternică concepută pentru a funcționa în diferite aplicații industriale. Motorul este unul de înaltă performanță, cu turație redusă de 1400 rpm, ideal pentru aplicații care necesită controlul precis al vitezei și torsiunii.
Acest tip de motor are o putere nominală de 37kw, ceea ce îl face suficient de puternic pentru a face față oricărei sarcini industriale. Motorul are o turbină cu 4 poli, ceea ce îl face ideal pentru aplicații care necesită o forță mare de tracțiune la turații mai mici.
Diametrul axului de 60mm asigură o stabilitate și o rezistență excelentă la vibrații și șocuri, făcând acest motor ideal pentru aplicațiile care necesită un asemenea nivel de putere și fiabilitate. Fixarea talpă este un alt punct forte al acestui motor electric, asigurând stabilitate și siguranță în utilizare.
În general, aceste motoare sunt foarte fiabile, economice și ușor de întreținut, nefiind nevoie de multe reparații. Acestea pot fi utilizate pentru o varietate de aplicații, cum ar fi pompe industriale, echipamente de procesare a alimentelor sau mașini de producție, ceea ce le face o opțiune ideală pentru afaceri care folosesc echipamente industriale.



