Motor electric trifazat 3kw 3000rpm 100 B14 aLL
Acest motor electric trifazat 3kw 3000rpm 100 B14 aLL este o soluție inginerească optimizată pentru aplicațiile care necesită putere concentrată și un design compact. Construit pe un șasiu de Gabarit 100 din Aluminiu, motorul oferă performanță superioară într-un pachet ușor, ideal pentru spațiile restrânse.
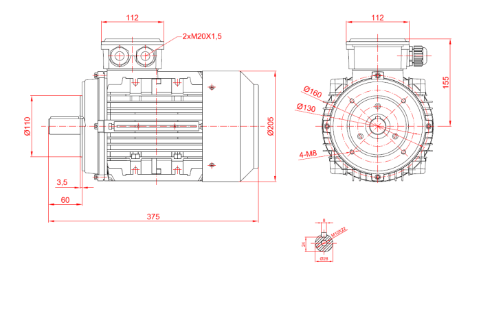
Sistemul de montaj pe flanșă mică (B14) permite cuplarea directă și precisă pe utilaje, eliminând necesitatea tălpilor de susținere și reducând amprenta la sol. Motorul livrează un cuplu puternic de 9.97 Nm la o turație de 2875 rot/min, fiind partenerul de încredere pentru acționările rapide.
Caracteristici Cheie Motor electric trifazat 3kw 3000rpm 100 B14 aLL
-
Putere Concentrată (4 CP): Livrarea a 3 kW într-un gabarit compact (100) face acest motor ideal pentru aplicațiile care necesită un raport excelent putere-volum.
-
Montaj Compact B14 (Flanșă Mică): Flanșa cu diametrul de centrare de 110 mm permite o integrare „invizibilă” în designul utilajului, asigurând o fixare rigidă și alinierea perfectă a axului.
-
Construcție Ușoară: Carcasa din aluminiu facilitează disiparea căldurii și reduce greutatea totală a ansamblului, fiind un avantaj major pentru echipamentele mobile.
-
Performanță Dinamică: Turația de ~2875 min-1 și cuplul de 9.97 Nm asigură accelerarea rapidă și funcționarea lină a ventilatoarelor și pompelor.
-
Fiabilitate Industrială: Bobinaj din Cupru 100%, protecție IP55 și senzori termici PTC 120 °C.
-
Eficiență Standard: Randamentul de 83.9% respectă normele industriale, oferind performanță fiabilă la un cost accesibil.
Specificații Tehnice Motor electric trifazat 3kw 3000rpm 100 B14 aLL
Aplicații Recomandate Motor electric trifazat 3kw 3000rpm 100 B14 aLL
Datorită flanșei B14 și puterii de 3 kW, acest motor este recomandat pentru:
-
Sisteme de Ventilație Compacte: Ventilatoare axiale montate direct pe tubulatură, unde spațiul este limitat.
-
Pompe de Apă: Grupuri de pompare monobloc pentru irigații sau recirculare.
-
Utilaje de Prelucrare a Lemnului: Fierăstraie circulare, mașini de frezat sau de găurit cu acționare directă.
-
Reductoare: Cuplare pe reductoare melcate sau cilindrice compacte.
-
Automatizări: Linii de ambalare sau sortare rapide.
Alegeți performanța compactă de 3 kW. Contactați-ne pentru detalii!

