Motor electric trifazat 3kw 750rpm 132 B14
Caracteristici Motor electric trifazat 3kw 750rpm 132 B14:
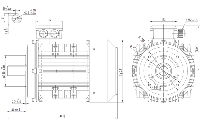
- Putere: 3kw
- Turatie: 750rpm/8poli
- Gabarit: 132
- Diametru AX: 38mm
- Fixare: Flansa mica
- Prindere: B14
- Diametru flansa: 200mm
Motorul electric trifazat 3kw 750rpm 132 B14 este un dispozitiv puternic și eficient energetic, proiectat pentru a furniza o putere mare la o viteză redusă. Acesta este ideal pentru utilizarea în aplicații care necesită o putere ridicată, cum ar fi mașinile-unelte, echipamente de prelucrare a lemnului sau în industria textilă. Cu o putere nominală de 3kw, acest motor poate funcționa continuu fără probleme, asigurând o producție constantă și fiabilă.
Cu o turatie de 750rpm/8poli , acest motor este ideal pentru utilizarea în mașinile care trebuie să funcționeze la o viteză redusă, dar să furnizeze o putere mare. De asemenea, diametru axului de 38mm asigură o fixare puternică către mașină sau utilajul cu care este folosit. De asemenea, motorul este prevazut cu o fixare de tip flansa mica, care permite conectarea cu ușurință la orice tip de echipament, fără a necesita prea mult timp sau efort.
În afara acestor caracteristici, acest motor electric trifazat B14 3kw 750rpm 132 este construit pentru a fi durabil și rezistent la uzură în utilizarea indelungată. Motorul are o construcție solidă, care garantează o funcționare sigură și consistentă, fără probleme sau defecte. În concluzie, acest motor trifazat de 3kw este o alegere excelentă pentru orice aplicație care necesită o putere mare și o viteză redusă, oferind performanțe excelente și durabilitate superioară.


