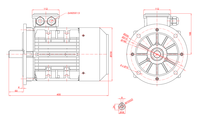
Caracteristici Motor electric trifazat 4kw 1400rpm 112 B5:
- Putere: 4kw;
- Turatie: 1400rpm/4poli;
- Gabarit: 112;
- Diametru AX: 28mm;
- Fixare: Flansa mare;
- Prindere: B5;
- Diametru flansa: 250mm;
- 30kg;
Un motor electric trifazat 4kw 1400rpm 112 B5 are o putere de 4kW și o turată de 1400 rpm, fiind prevăzut cu 4 poli. Diametrul axului este de 28mm iar fixarea se face cu ajutorul unei flanșe mari. Acest motor poate fi utilizat pentru o varietate de aplicații, de la mașini industriale până la utilaje destinate construcțiilor.
Fiind un motor electric trifazat, acesta este ideal pentru aplicații care necesită putere ridicată și viteză constantă. Acesta funcționează la tensiunea de 380V și poate fi utilizat în medii cu temperaturi de până la 40°C.
Cu o putere de 4kW, motorul poate fi utilizat pentru a pune în mișcare diferite tipuri de aparate, inclusiv pompe, motoare hidraulice, compresoare și alte mașini industriale. În plus, turata lui de 1400 rpm asigură o funcționare stabilă și eficientă în timpul utilizării.
Datorită dimensiunilor sale compacte și a fixării cu flanșă mare, acest motor electric trifazat este ușor de instalat și poate fi utilizat într-o serie de aplicații industriale și comerciale. Este robust și durabil, având o construcție solidă pentru a face față condițiilor de lucru exigente și pentru a asigura o funcționare fiabilă pe termen lung.
În concluzie, acest motor electric trifazat de 4kW și 1400rpm este o soluție excelentă pentru diferite aplicații industriale și comerciale, oferind putere și viteză constantă într-un pachet compact și durabil.

| Gabarit motor (IEC-PAM) | Putere motor (Kw) | Putere motor (cai putere) | Turatie nominala motor | Tensiune | Randament (400V) | Randament (ƞ) 100% | Factor de putere Cos ɸ 100% | Is-in | cs-cn | cm-cn | Cuplu nominal | Greutate |
| 56b | 0.09kw | 0.12HP | 1360rpm | 230/400V | 0.36A | 57 | 0,63 | 2,7 | 2,20 | 2,40 | 0.63Nm | 2.8kg |
| 56c | 0.12kw | 0.16HP | 1370rpm | 230/400V | 0.55A | 54 | 0,58 | 2,7 | 2,30 | 2,60 | 0.84Nm | 3.1kg |
| 56e | 0.18kw | 0.25HP | 1370rpm | 230/400V | 0.79A | 55 | 0,60 | 3,1 | 2,10 | 2,30 | 1.26Nm | 3.7kg |
| 63a | 0.12kw | 0.16HP | 1370rpm | 230/400V | 0.52A | 56 | 0,60 | 3 | 2,330 | 2,70 | 0.84Nm | 3.5kg |
| 63b | 0.18kw | 0.25HP | 1380rpm | 230/400V | 0.72A | 60 | 0,60 | 3 | 2,50 | 2,80 | 1.25Nm | 3.9kg |
| 63c | 0.25kw | 0.33HP | 1380rpm | 230/400V | 0.78A | 70 | 0,66 | 3,1 | 2,50 | 2,80 | 1.73Nm | 4.2kg |
| 63e | 0.37kw | 0.5HP | 1380rpm | 230/400V | 1.23A | 67 | 0,65 | 3 | 2,30 | 2,50 | 2.56Nm | 4.9kg |
| 71a | 0.25kw | 0.33HP | 1390rpm | 230/400V | 0.82A | 66 | 0,67 | 3,5 | 2,50 | 2,60 | 1.72Nm | 5.3kg |
| 71b | 0.37kw | 0.5HP | 1390rpm | 230/400V | 1.1A | 70 | 0,69 | 3,4 | 2,40 | 2,70 | 2.54Nm | 6.4kg |
| 71c | 0.55kw | 0.75HP | 1390rpm | 230/400V | 1.45A | 74 | 0,74 | 3,7 | 2,50 | 2,70 | 3.78Nm | 7.6kg |
| 71e | 0.75kw | 1HP | 1390rpm | 230/400V | 2A | 74 | 0,73 | 3,6 | 2,40 | 2,60 | 5.16Nm | 8.6kg |
| 80a | 0.55kw | 0.75HP | 1400rpm | 230/400V | 1.5A | 74 | 0,72 | 4 | 2,50 | 2,60 | 3.75Nm | 9kg |
| 80b | 0.75kw | 1HP | 1410rpm | 230/400V | 1.9A | 77 | 0,74 | 4,1 | 2,50 | 2,70 | 5.08Nm | 9.7kg |
| 80d | 1.1kw | 1.5HP | 1410rpm | 230/400V | 2.6A | 76 | 0,80 | 4,2 | 2,60 | 2,70 | 7.45Nm | 11.8kg |
| 90Sa | 1.1kw | 1.5HP | 1420rpm | 230/400V | 2.7A | 77 | 0,76 | 4,4 | 2,40 | 2,60 | 7.40Nm | 13kg |
| 90Lb | 1.5kw | 2HP | 1420rpm | 230/400V | 3.8A | 75 | 0,76 | 4,5 | 2,50 | 2,70 | 10.09Nm | 15kg |
| 90Ld | 2.2kw | 3HP | 1400rpm | 230/400V | 5.5A | 75 | 0,77 | 4,5 | 2,40 | 2,60 | 15.01Nm | 17.5kg |
| 100La | 2.2kw | 3HP | 1420rpm | 230/400V | 5.3A | 80 | 0,75 | 4,8 | 2,40 | 2,50 | 14.80Nm | 19.7kg |
| 100Lb | 3kw | 4HP | 1430rpm | 230/400V | 6.9A | 82 | 0,77 | 5 | 2,30 | 2,50 | 20.04Nm | 22.9kg |
| 100Ld | 4kw | 5.5HP | 1420rpm | 230/400V | 9.2A | 80 | 0,79 | 5 | 2,30 | 2,50 | 26.91Nm | 24.3kg |
| 112Mb | 4kw | 5.5HP | 1430rpm | 230/400V | 8.7A | 82 | 0,81 | 5,2 | 2,50 | 2,80 | 26.72Nm | 28.3kg |
| 112Mc | 5.5kw | 7.5HP | 1420rpm | 400/690V | 12A | 83 | 0,80 | 5,3 | 2,50 | 3,00 | 37.01Nm | 31kg |
| 132Sa | 5.5kw | 7.5HP | 1430rpm | 400/690V | 12.4A | 84 | 0,76 | 5,8 | 2,50 | 2,80 | 36.75Nm | 41.5kg |
| 132Mb | 7.5kw | 10HP | 1440rpm | 400/690V | 16.3A | 85 | 0,78 | 6 | 2,50 | 3,00 | 49.76Nm | 49kg |
| 132Mc | 9.2kw | 12.5HP | 1450rpm | 400/690V | 20A | 85 | 0,78 | 5,4 | 3,00 | 3,10 | 60.62Nm | 55kg |
| 132Md | 11kw | 15HP | 1450rpm | 400/690V | 25A | 85 | 0,75 | 5,6 | 2,80 | 3,00 | 72.48Nm | 58kg |
| 160Ma | 11kw | 15HP | 1460rpm | 400/690V | 22A | 88 | 0,82 | 5,6 | 2,10 | 2,50 | 71.98Nm | 81kg |
| 160Lb | 15kw | 20HP | 1465rpm | 400/690V | 29.3A | 89 | 0,83 | 5,8 | 2,30 | 2,70 | 97.82Nm | 94kg |
| 160Lc | 18.5kw | 25HP | 1460rpm | 400/690V | 37A | 90 | 0,80 | 5,9 | 2,20 | 2,40 | 121.06Nm | 107kg |
| 160Ld | 22kw | 30HP | 1460rpm | 400/690V | 44A | 90 | 0,80 | 6,2 | 2,30 | 2,40 | 143.97Nm | 119kg |
Aceste informații detaliate sunt despre dimensiunile și specificațiile tehnice ale acestui motor electric trifazat 4kw 1400rpm 112 B5, ce pot fi folosite pentru a îmbunătăți descrierea produselor de pe site-ul aLLindustriaL.ro, oferind clienților toate detaliile necesare pentru a face alegerea potrivită!

