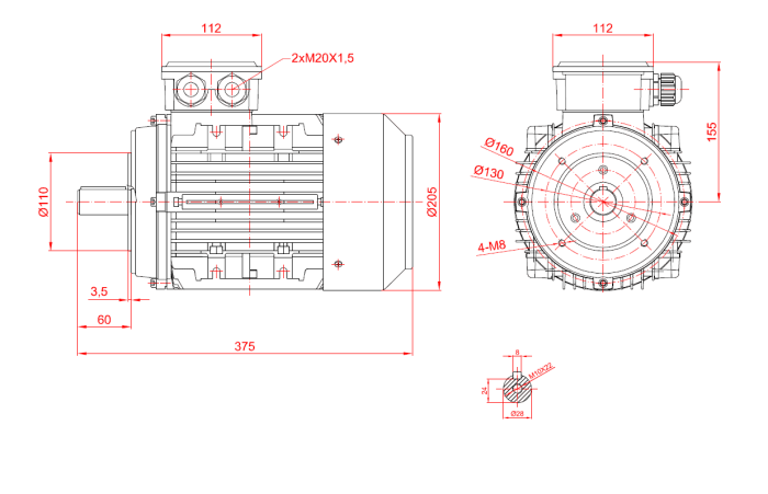
Motor electric trifazat 4kw 3000rpm 100 B14
Caracteristici Motor electric trifazat 4kw 3000rpm 100 B14:
- Putere: 4kw;
- Turatie: 3000rpm/2poli;
- Gabarit: 100;
- Diametru AX: 28mm;
- Fixare: B14;
- Prindere: Flansa mica;
- Diametru flansa: 160mm;
- 22kg;
Un motor electric trifazat 4kw 3000rpm 100 B14 este un dispozitiv robust si fiabil pentru a genera putere electromecanica in diverse aplicatii industriale. Acest tip de motor beneficiaza de trei faze care se succed intr-o rotatie perfecta pentru a crea o putere mai mare si mai eficienta decat motoarele monofazate sau bifazate.
Motorul electric trifazat de 4kw cu turatie de 3000rpm/2poli poate fi utilizat cu usurinta pentru actionarea pompelor, compresoarelor si a altor dispozitive cu caracteristicile corespunzatoare. Acesta este proiectat cu o carcasa robusta si compacta, care protejeaza componente sensibile la temperatura si la frecventa de functionare. De asemenea, motorul este dotat cu un sistem de fixare B14 care permite instalarea sa in diverse locuri si pozitii.
Diametrul axului de 28mm, conceput pentru a suporta sarcini grele, reprezinta o caracteristica deosebit de importanta a acestui tip de motor electric trifazat. Acesta permite utilizatorilor sa lege dispozitivele mecanice la motor si sa transmita puterea electromecanica pe o distanta mai mare. De asemenea, diametrul axului face posibila utilizarea unor elemente de fixare mai puternice si mai sigure.
In concluzie, motorul electric trifazat 4kw 3000rpm 100 B14 cu diametru ax 28mm si fixare B14 este un dispozitiv de calitate superioara, durabil si fiabil pentru aplicatii industriale diverse. Alegerea acestuia poate oferi o putere electromecanica mai mare si mai eficienta, si poate spori randamentul dispozitivelor si produselor in care este utilizat.

| Gabarit motor (IEC-PAM) | Putere motor Kw | Putere motor cai putere | Turatie nominala motor | Amperaj 400V | (ƞ) 100% | Cos ɸ 100% | is-in | cs-cn | cm-cn | cn Nm | Kgm2 | Greutate |
| 56a | 0.09kw | 0.12HP | 2750rot/min | 0,5 | 41 | 0,63 | 3,1 | 2,60 | 2,70 | 0,31 | 0,00010 | 2.7kg |
| 56b | 0.12kw | 0.16HP | 2770rot/mi | 0,6 | 51 | 0,57 | 3,5 | 2,80 | 2,90 | 0,41 | 0,00010 | 3.1kg |
| 56c | 0.18kw | 0.25HP | 2760rot/min | 0,75 | 58 | 0,60 | 3,7 | 2,70 | 2,80 | 0,62 | 0,00010 | 3.4kg |
| 63a | 0.18kw | 0.25HP | 2780rot/min | 0,68 | 61 | 0,63 | 3,8 | 2,50 | 2,60 | 0,62 | 0,00019 | 3.1kg |
| 63b | 0.25kw | 0.33HP | 2780rot/min | 0,75 | 67 | 0,72 | 3,8 | 2,80 | 2,90 | 0,86 | 0,00019 | 3.5kg |
| 63c | 0.37kw | 0.5HP | 2790rot/min | 0,9 | 74 | 0,80 | 4,2 | 2,90 | 3,00 | 1,27 | 0,00023 | 3.9kg |
| 63e | 0.55kw | 0.75HP | 2790rot/min | 1,5 | 72 | 0,74 | 4 | 2,30 | 2,50 | 1,88 | 0,00030 | 4.8kg |
| 71a | 0.37kw | 0.5HP | 2790rot/min | 1 | 69 | 0,77 | 4,5 | 2,60 | 2,70 | 1,27 | 0,00032 | 5.7kg |
| 71b | 0.55kw | 0.75HP | 2800rot/min | 1,4 | 72 | 0,79 | 4,4 | 2,80 | 2,90 | 1,88 | 0,00042 | 6.7kg |
| 71c | 0.75kw | 1HP | 2800rot/min | 1,8 | 74 | 0,81 | 4,5 | 0,75 | 3,10 | 2,56 | 0,00057 | 8.0kg |
| 80a | 0.75kw | 1HP | 2820rot/min | 1,9 | 76 | 0,75 | 4,6 | 2,20 | 2,50 | 2,54 | 0,00083 | 8.6kg |
| 80b | 1.1kw | 1.5HP | 2820rot/min | 2,3 | 82 | 0,84 | 5,1 | 2,50 | 2,60 | 3,73 | 0,00103 | 9.6kg |
| 80c | 1.5kw | 2HP | 2830rot/min | 3,2 | 81 | 0,84 | 5,5 | 2,70 | 2,90 | 5,06 | 0,00124 | 10.7kg |
| 80e | 1.8kw | 2.5HP | 2820rot/min | 4 | 80 | 0,81 | 5,2 | 2,40 | 2,60 | 6,10 | 0,00138 | 11.3kg |
| 90Sa | 1.5kw | 2HP | 2850rot/min | 3,8 | 75 | 0,76 | 5,4 | 2,20 | 2,70 | 5,03 | 0,00130 | 13.4kg |
| 90Sb | 1.8kw | 2.5HP | 2840rot/min | 4,4 | 74 | 0,80 | 5,3 | 2,30 | 2,80 | 6,06 | 0,00139 | 14.7kg |
| 90Lb | 2.2kw | 3HP | 2860rot/min | 5,2 | 76 | 0,80 | 5 | 2,70 | 3,00 | 7,35 | 0,00185 | 14.7kg |
| 90Lc | 3kw | 4HP | 2860rot/min | 7 | 80 | 0,77 | 6 | 2,90 | 3,10 | 10,02 | 0,00222 | 17.7kg |
| 100La | 3kw | 4HP | 2880rot/min | 6,8 | 77 | 0,83 | 6,2 | 2,20 | 2,80 | 9,95 | 0,00284 | 17.9kg |
| 100Lb | 4kw | 5.5HP | 2880rot/min | 8 | 84 | 0,86 | 6,5 | 2,20 | 2,80 | 13,27 | 0,00379 | 21.6kg |
| 100Le | 5kw | 6.8HP | 2870rot/min | 10,5 | 82 | 0,84 | 6,6 | 2,30 | 2,70 | 16,64 | 0,00442 | 23.8kg |
| 112Ma | 4kw | 5.5HP | 2900rot/min | 8,4 | 81 | 0,85 | 6,5 | 2,20 | 2,60 | 13,18 | 0,00506 | 25.5kg |
| 112Mb | 5.5kw | 7.5HP | 2910rot/min | 11,4 | 83 | 0,84 | 6,7 | 2,10 | 2,60 | 18,06 | 0,00658 | 30.3kg |
| 112Me | 7.5kw | 10HP | 2915rot/min | 15,6 | 84 | 0,83 | 6,8 | 2,30 | 2,60 | 24,58 | 0,00759 | 33.1kg |
| 112MLg | 9.2kw | 12.5HP | 2920rot/min | 18,5 | 86 | 0,84 | 6,6 | 2,30 | 2,70 | 30,10 | 0,00911 | 36.4kg |
| 132Sa | 5.5kw | 7.5HP | 2920rot/min | 11,4 | 83 | 0,84 | 5,8 | 2,10 | 2,20 | 18,00 | 0,01016 | 38.7kg |
| 132Sb | 7.5kw | 10HP | 2915rot/min | 15 | 87 | 0,83 | 6,2 | 2,60 | 3,10 | 24,58 | 0,01242 | 41.3kg |
| 132Mc | 9.2kw | 12.5HP | 2920rot/min | 19 | 86 | 0,81 | 0,81 | 6,8 | 2,60 | 3,30 | 0,01581 | 47.6kg |
| 132Md | 11kw | 15HP | 2920rot/min | 21 | 88 | 0,86 | 7,2 | 2,50 | 3,50 | 35,99 | 0,01919 | 54.0kg |
| 132Me | 15kw | 20HP | 2930rot/min | 28 | 89 | 0,87 | 6,7 | 2,60 | 3,60 | 48,91 | 0,02145 | 58.1kg |
| 132Mg | 18.5kw | 25HP | 2925rot/min | 35,3 | 89 | 0,85 | 6,8 | 2,30 | 3,20 | 60,43 | 0,02484 | 66.3kg |
| 160Ma | 11kw | 15HP | 2940rot/min | 21,7 | 87 | 0,84 | 7,2 | 2,50 | 3,10 | 35,75 | 0,02817 | 76.1kg |
| 160Mb | 15kw | 20HP | 2930rot/min | 28,6 | 88 | 0,86 | 7,4 | 2,50 | 3,10 | 48,91 | 0,03842 | 88.0kg |
| 160Lc | 18.5kw | 25HP | 2930rot/min | 35,3 | 90 | 0,84 | 7 | 2,40 | 3,30 | 60,32 | 0,04610 | 96.8kg |
Aceste informații detaliate sunt despre dimensiunile și specificațiile tehnice ale acestui motor electric asincron trifazat, ce pot fi folosite pentru a îmbunătăți descrierea produselor de pe site-ul aLLindustriaL.ro, oferind clienților toate detaliile necesare pentru a face alegerea potrivită!
