Motor electric trifazat 4kw 3000rpm 112 B5 IE2 aLL
Acest motor electric trifazat 4kw 3000rpm 112 B5 IE2 aLL este conceput pentru a satisface cele mai exigente cerințe de performanță și eficiență. Construit pe un șasiu robust de Gabarit 112 din Aluminiu, motorul este optimizat pentru a livra putere constantă cu pierderi minime de energie, încadrându-se în clasa IE2 (High Efficiency).
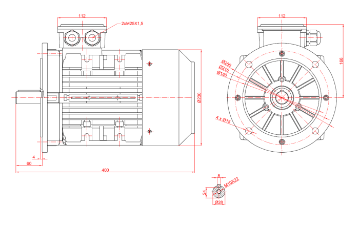
Datorită montajului pe flanșă mare (B5), acest model asigură o fixare extrem de rigidă și precisă pe utilaje, eliminând vibrațiile și necesitatea alinierii complexe. Cu un cuplu nominal de 13.08 Nm la o turație de ~2920 rot/min, este partenerul ideal pentru acționările directe care necesită fiabilitate absolută.
Caracteristici Cheie Motor electric trifazat 4kw 3000rpm 112 B5 IE2 aLL
-
Eficiență Energetică (IE2): Randamentul estimat de 86.2% reduce semnificativ consumul de energie electrică, amortizând costul de achiziție prin economii operaționale.
-
Montaj Rigid B5 (Flanșă 250 mm): Flanșa supradimensionată (exterior 250 mm, centrare 180 mm) oferă o bază solidă pentru cuplarea cu pompe, reductoare și ventilatoare mari, protejând componentele interne.
-
Putere și Stabilitate (5.5 CP): 4 kW disponibili constant, susținuți de o carcasă robustă (~29 kg) care disipă eficient căldura.
-
Ax de Înaltă Rezistență (Ø38 mm): Diametrul axului este dimensionat pentru a rezista la sarcini torsionale și radiale intense, fiind net superior motoarelor de gabarit mic.
-
Fiabilitate Extinsă: Bobinaj din Cupru 100%, protecție IP55 și senzori termici PTC 120 °C incluși standard pentru siguranță maximă în exploatare.
-
Funcționare Lină: Rulmenții de calitate 6207-ZZ / 6206-ZZ asigură un nivel redus de zgomot și o durată de viață lungă.
Specificații Tehnice Motor electric trifazat 4kw 3000rpm 112 B5 IE2 aLL
Aplicații Recomandate Motor electric trifazat 4kw 3000rpm 112 B5 IE2 aLL
Datorită eficienței IE2 și montajului robust B5, acest motor este recomandat pentru:
-
Pompe Industriale: Acționarea pompelor centrifuge monobloc de mare capacitate.
-
Reductoare de Putere: Cuplare directă pe reductoare melcate sau planetare.
-
Ventilație de Proces: Ventilatoare axiale montate direct pe carcasă pentru sisteme industriale.
-
Agitatoare și Mixere: Echipamente de procesare care necesită un montaj vertical stabil.
-
Utilaje de Prelucrare: Mașini de șlefuit și debitat cu acționare directă.
Alegeți performanța IE2 și stabilitatea flanșei B5. Contactați-ne pentru detalii!
