Motor electric trifazat 5.5kw 3000rpm 132 B5 aLL
Acest motor electric trifazat 5.5kw 3000rpm 132 B5 aLL este soluția ideală pentru aplicațiile care necesită putere concentrată și o cuplare directă rigidă. Construit pe un șasiu de Gabarit 112 din Aluminiu, motorul combină performanța superioară cu un design compact și ușor (~30.3 kg conform tabelului pentru 112Mb).
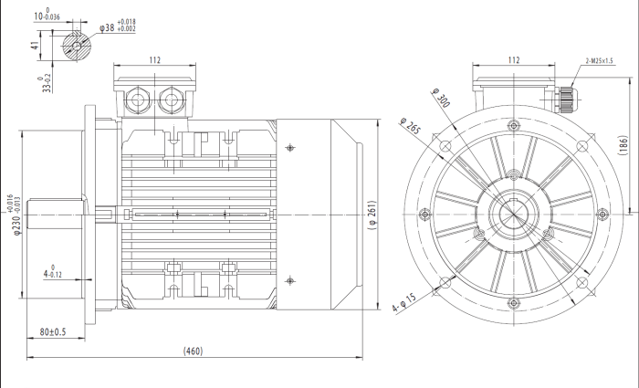
Sistemul de montaj pe flanșă mare (B5) elimină necesitatea tălpilor, permițând fixarea „în consolă” direct pe corpul pompelor sau reductoarelor. Motorul livrează un cuplu dinamic de 18.06 Nm la o turație de 2910 rot/min, asigurând o funcționare stabilă și eficientă.
Caracteristici Cheie Motor electric trifazat 5.5kw 3000rpm 132 B5 aLL
-
Densitate de Putere: Oferă 7.5 CP într-un gabarit 112, optimizând spațiul în instalațiile industriale complexe.
-
Montaj Rigid B5: Flanșa supradimensionată (exterior 250 mm, centrare 180 mm) asigură o conexiune mecanică extrem de stabilă și precisă, esențială pentru protejarea componentelor în mișcare.
-
Construcție Ușoară: Carcasa din aluminiu reduce greutatea totală și facilitează disiparea căldurii, prelungind viața bobinajului din Cupru 100%.
-
Ax Robust: Diametrul axului este dimensionat pentru a transmite eficient cuplul nominal, fiind compatibil cu cuplaje elastice standard.
-
Performanță Standard: Randament de 83% la sarcină maximă, oferind un raport excelent între performanță și costul de investiție.
-
Fiabilitate Industrială: Protecție IP55 și senzori termici PTC (opțional/recomandat) pentru siguranță în exploatare.
Specificații Tehnice Motor electric trifazat 5.5kw 3000rpm 132 B5 aLL
Aplicații Recomandate Motor electric trifazat 5.5kw 3000rpm 132 B5 aLL
Acest motor este recomandat pentru utilaje compacte cu montaj direct:
-
Pompe Centrifugale: Unități monobloc de mare debit.
-
Ventilatoare Industriale: Montaj axial direct în tubulatură.
-
Reductoare: Cuplare pe reductoare melcate sau cilindrice cu intrare B5.
-
Mixere: Agitatoare rapide montate vertical pe rezervoare.
-
Utilaje de Prelucrare: Mașini de șlefuit și debitat cu motor integrat.
Alegeți puterea de 5.5 kW și precizia flanșei B5. Contactați-ne pentru detalii!
