Motor electric trifazat 55kw 1400rpm 250 B3 IE2 aLL
Proiectat pentru a face față celor mai exigente medii industriale, acest motor electric trifazat 55kw 1400rpm 250 B3 IE2 aLL este soluția ideală pentru aplicațiile care necesită putere, durabilitate și eficiență. Cu o construcție robustă din fontă și un bobinaj integral din cupru, acest motor garantează o funcționare îndelungată și performanțe constante.
Modelul este echipat cu o flanșă mare (tip B5), asigurând o montare sigură și stabilă, esențială pentru utilajele care generează vibrații sau sarcini ridicate. Cuplul impresionant de 355 Nm îl face potrivit pentru o gamă largă de echipamente industriale grele.
Caracteristici Tehnice Motor electric trifazat 55kw 1400rpm 250 B3 IE2 aLL
- Putere: 55 kW
- Turație: 1400 rpm (4 poli)
- Tip Montaj: Cu flanșă mare (prindere B5)
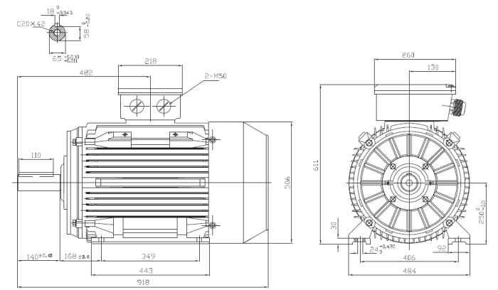
- Gabarit Motor: 250
- Diametru Ax: 65 mm
- Diametru Flanșă: 550 mm
- Clasă de Eficiență: IE2 (consum redus de energie)
- Clasă de Protecție: IP55 (protecție împotriva prafului și a jeturilor de apă)
- Clasă de Izolație: F
- Material Carcasă: Fontă (pentru rezistență mecanică superioară)
- Material Bobinaj: 100% Cupru (pentru conductivitate și fiabilitate)
- Cuplu Motor: 355 Nm
- Destinație: Uz industrial intensiv
- Greutate: 405 kg
Avantaje Motor electric trifazat 55kw 1400rpm 250 B3 IE2 aLL
Construcție Robustă
Carcasa solidă din fontă protejează motorul împotriva șocurilor mecanice și a condițiilor dificile de lucru, în timp ce bobinajul din cupru asigură o răcire eficientă și previne supraîncălzirea.
Eficiență Energetică
Standardul IE2 contribuie la reducerea costurilor operaționale prin optimizarea consumului de energie electrică.
Performanță de Top
Ideal pentru aplicații precum pompe de mare capacitate, ventilatoare industriale, benzi transportoare, compresoare, mori și alte mașini-unelte care necesită un cuplu de pornire ridicat și o funcționare neîntreruptă.
Căutați o altă variantă constructivă pentru motorul de 55kW?
Explorați gama noastră completă pentru a găsi modelul perfect adaptat nevoilor dumneavoastră:
- Motor Electric Trifazat 55kw 1400rpm 250 B3 Fonta
- Motor Electric Trifazat 55kw 1400rpm 250 B5 Fonta
- Motor Electric Trifazat 55kw 1400rpm 250 B3 ALL
- Motor Electric Trifazat 55kw 1400rpm 250 B5 ALL Cu Flansa


