Motor electric trifazat 90kw 1400rpm 280 B5 IE2 aLL
Acest motor electric trifazat 90kw 1400rpm 280 B5 IE2 aLL de înaltă performanță este proiectat pentru aplicații industriale grele care necesită fiabilitate maximă și eficiență energetică. Cu o putere de 90kW (125 CP) și o construcție robustă din fontă, acest motor este soluția ideală pentru sisteme de ventilație, pompe, compresoare sau linii de producție automatizate.
Avantaje și Caracteristici Motor electric trifazat 90kw 1400rpm 280 B5 IE2 aLL
-
Eficiență Energetică IE2: Încadrat în clasa de eficiență High Efficiency (94.2% la sarcină maximă), motorul reduce costurile operaționale și emisiile de căldură.
-
Construcție Ultra-Robustă: Carcasa din fontă de gabarit 280 asigură o durabilitate superioară și o rezistență excelentă la vibrații în medii industriale dure.
-
Protecție Avansată: Dotat standard cu senzori termici PTC 120°C pentru prevenirea supraîncălzirii și grad de protecție IP55 (rezistență la praf și jeturi de apă).
-
Componente Premium: Echipat cu rulmenți NSK (6316-C3) pe ambele capete, recunoscuți pentru durata de viață extinsă și zgomot redus de operare.
-
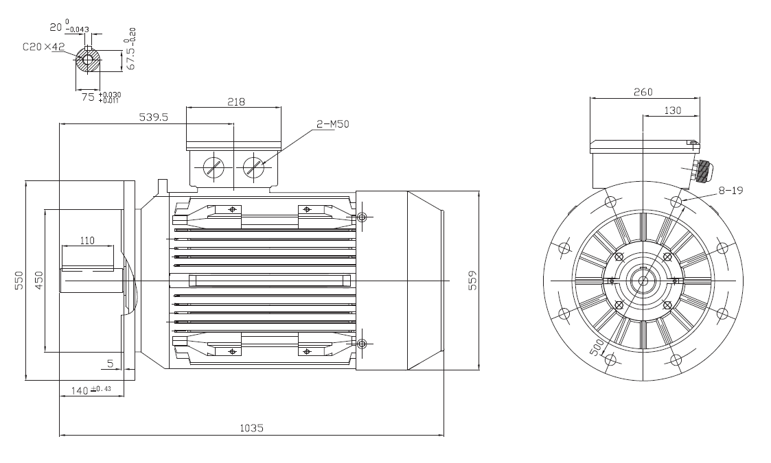
Versatilitate în Montaj: Fixare prin flanșă mare (B5), având diametrul exterior de 550mm și un ax de 75mm, fiind ușor de integrat în utilaje de mari dimensiuni.
Specificații Tehnice Motor electric trifazat 90kw 1400rpm 280 B5 IE2 aLL:
| Parametru | Valoare |
| Putere | 90 kW / 125 CP |
| Turație (la 50Hz) | 1480 RPM (4 poli) |
| Tensiune de alimentare | 400V (Δ) / 690V (Y) |
| Clasă de Eficiență | IE2 |
| Gabarit (Frame size) | 280 |
| Tip de fixare | B5 (Flanșă mare) |
| Diametru Ax | 75 mm |
| Diametru Flanșă | 550 mm |
| Curent Nominal (400V) | 153.22 A |
| Cuplu Nominal | 580.99 Nm |
| Grad de Protecție | IP55 |
| Clasă de Izolație | F |
| Material Carcasă | Fontă (Cast Iron) |
| Greutate | 663 kg |
Detalii Mecanice și de Mediu Motor electric trifazat 90kw 1400rpm 280 B5 IE2 aLL:
-
Sistem de răcire: IC 411 (auto-ventilat).
-
Ungere: Interval de relubrifiere a rulmenților de 10.500 ore de funcționare.
-
Nivel de zgomot: 83 dB(A) (putere acustică LwA).
-
Condiții de operare: Temperatură ambientală de la -20°C până la +40°C și altitudine maximă de 1000m.

