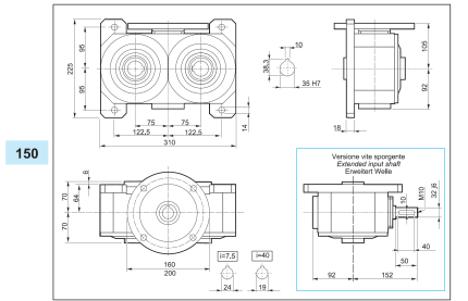
Caracteristici Reductor melcat cu iesire dubla VM 150 i=40 80B5:
- Diametru ax: 19mm;
- Intrare: Flansa;
- Putere motor: 0.75kw;
- Poli: 0.75kw;
- Gabarit: 80;
- Raport: i=40;
- Tip: VM 150;
Un reductor melcat cu iesire dubla VM 150 i=40 80B5 este un dispozitiv important în industria mecanică, utilizat pentru a transmite puterea de la motorul electric către diferitele mașini și echipamente. Acesta are un raport de transmisie de 40 și este echipat cu două ieșiri, ceea ce îl face mai versatil pentru utilizare în mai multe aplicații. Reductorul are un diametru al axului de 19mm și dispune de o flanșă de intrare, ceea ce îl face ușor de instalat direct pe motorul electric.
Cu o putere nominală de 0.75kw și 4 poli, acest reductor melcat are o performanță optimă de lucru, fiind potrivit pentru mașinile cu sarcini moderate. De asemenea, este disponibil în gabaritul 80, care îl face compact și ușor de integrat în designul echipamentelor industriale.
Cu un tip de transmisie melcat, acest reductor are un raport optim de transmisie de 40, ceea ce îl face eficient în transmisia unei varietăți de sarcini și viteze. De asemenea, reductorul este fabricat din materiale de calitate superioară, ceea ce îl face rezistent și durabil pe termen lung.
Un reductor melcat cu iesire dubla VM 150 i=40 80B5 este o alegere excelentă pentru industria mecanică atunci când este nevoie de un dispozitiv de transmisie fiabil și eficient pentru a asigura funcționarea mașinilor și echipamentelor industriale cu o performanță optimă și o durată de viață lungă.
