Motor electric trifazat 0.09kw 3000rpm 56 B14 aLL
Acest motor electric trifazat 0.09kw 3000rpm 56 B14 aLL (echivalentul a 90 Wați) este proiectat specific pentru aplicațiile unde spațiul este critic. Încadrat în Gabaritul 56 (unul dintre cele mai mici standarde industriale), motorul oferă o turație ridicată de ~2800 rot/min (2 poli), fiind perfect pentru antrenarea mecanismelor rapide care nu necesită cuplu mare, dar cer fiabilitate continuă.
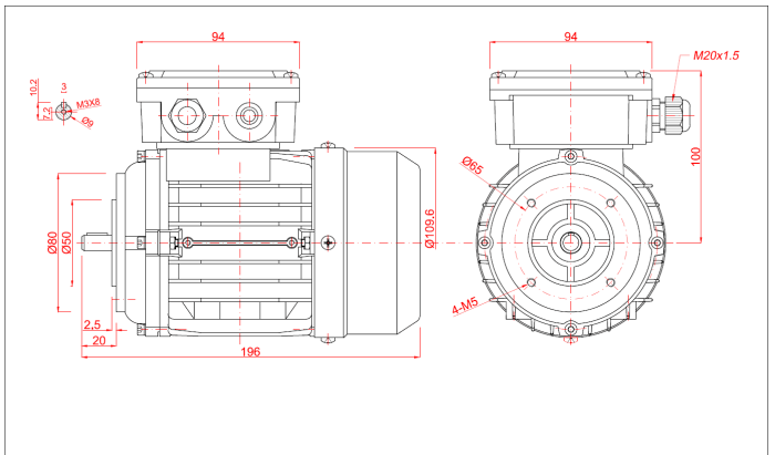
Construcția sa utilizează o carcasă din Aluminiu ușor, menținând greutatea totală la aproximativ 3 kg, ceea ce îl face ușor de integrat în brațe robotice, echipamente portabile sau panouri de ventilație. Prinderea tip B14 (Flanșă Mică) permite montarea directă pe reductor sau pe peretele utilajului, fără a ocupa spațiu suplimentar cu tălpi de fixare.
De ce să alegeți acest motor de 90W pentru proiectul dvs.?
-
Miniaturizare Industrială: Gabaritul 56 cu ax de doar 9 mm este standardul pentru echipamentele de precizie. Este motorul „go-to” pentru înlocuiri în aparatură de laborator sau linii de ambalare ușoare.
-
Montaj „Clean” tip B14: Flanșa are găuri filetate direct în corpul motorului. Acest lucru permite o conexiune discretă și estetică, ideală pentru echipamentele vizibile sau compacte (ex: pompe de dozaj).
-
Fiabilitate în Sarcini Ușoare: Deși este mic, beneficiază de bobinaj din Cupru 100% și o protecție termică PTC (termistori integrați), protejând motorul împotriva supraîncălzirii accidentale.
-
Performanță Constantă: Cu un cuplu de 0.31 Nm, asigură o mișcare fluidă, fără fluctuații, esențială pentru ventilatoarele de răcire a electronicelor sau benzi transportoare mici.
-
Protecție IP55: Carcasa este etanșă la praf și rezistentă la stropi de apă, permițând utilizarea în medii industriale obișnuite fără riscuri.
Fișă Tehnică Motor electric trifazat 0.09kw 3000rpm 56 B14 aLL
Acest motor este foarte mic. Vă rugăm să verificați diametrul axului (9mm) înainte de comandă.
| Specificație Tehnică | Valoare |
| Putere Nominală | 0.09 kW (90 W) |
| Turație (Nominală) | 2800 rot/min (2 Poli) |
| Tip Montaj | B14 (Flanșă Mică) |
| Gabarit (Frame Size) | 56 |
| Diametru Ax | 9 mm |
| Diametru Flanșă (Exterior) | 80 mm |
| Diametru Cerc Găuri (PCD) | 65 mm |
| Tensiune Alimentare | 230V (Triunghi) / 400V (Stea) |
| Curent Nominal (la 400V) | 0.37 A |
| Cuplu Nominal | 0.31 Nm |
| Material Carcasă | Aluminiu |
| Bobinaj | Cupru |
Aplicații Recomandate Motor electric trifazat 0.09kw 3000rpm 56 B14 aLL
Datorită puterii reduse și vitezei mari, acest motor nu este destinat utilajelor grele, ci aplicațiilor de finețe:
-
Laboratoare și Chimie: Agitatoare magnetice, mixere pentru eprubete sau pompe peristaltice mici.
-
Industria Alimentară: Dozatoare de condimente, mașini de etichetat sticle.
-
Răcire și Ventilație: Ventilatoare axiale montate pe panouri electrice sau sisteme de exhaustare locale.
-
Hobby & CNC: Mici freze pentru gravură, imprimante 3D industriale sau mecanisme de avans fin.
Notă Tehnică: Axul de 9mm
Majoritatea motoarelor industriale pornesc de la ax de 11mm sau 14mm. Acest model (Gabarit 56) are un ax atipic de 9mm.
Dacă aveți nevoie de fulie sau cuplaj elastic pentru acest ax, specificați acest lucru consultanților noștri.


