Motor electric trifazat 0.09kw 3000rpm 56 B5
Acest motor electric trifazat 0.09kw 3000rpm 56 B5 oferă o soluție compactă și rigidă pentru aplicațiile industriale de precizie care necesită viteză mare (~3000 rot/min). Construit pe un șasiu ușor de Gabarit 56 din Aluminiu, motorul este ideal pentru echipamentele unde greutatea și spațiul sunt limitate.
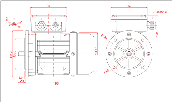
Datorită sistemului de montaj pe flanșă mare (B5), acest motor permite fixarea directă pe corpul utilajului, asigurând o aliniere perfectă și eliminând necesitatea tălpilor. Motorul livrează un cuplu nominal de 0.31 Nm la o turație de 2800 rot/min, fiind o alegere economică și fiabilă pentru sarcini ușoare.
Caracteristici Motor electric trifazat 0.09kw 3000rpm 56 B5
-
Montaj Rigid B5: Flanșa mare (diametru exterior standard pentru gabarit 56) asigură o conexiune stabilă și coaxială cu reductoare, pompe sau ventilatoare, reducând vibrațiile.
-
Putere de Precizie (0.12 CP): 0.09 kW disponibili constant, perfecți pentru acționarea mecanismelor fine, a dozatoarelor sau a sistemelor de răcire.
-
Construcție Ușoară: Carcasa din Aluminiu (greutate ~3.5 kg) disipă eficient căldura și facilitează instalarea în poziții suspendate sau verticale.
-
Ax Standard (Ø9 mm): Diametrul axului este optimizat pentru cuplul nominal, asigurând o transmisie sigură a puterii.
-
Fiabilitate Industrială: Protecție IP55 (praf/apă), bobinaj din Cupru și senzori termici PTC 120 °C incluși pentru siguranță maximă.
Specificații Tehnice Motor electric trifazat 0.09kw 3000rpm 56 B5
| Caracteristică | Valoare |
| Putere motor | 0.09 kW (0.12 CP) |
| Turație Nominală (50 Hz) | 2800 rot/min |
| Cuplu Nominal (Torque) | 0.31 Nm |
| Curent Nominal (400 V) | 0.37 A |
| Tensiune (50 Hz) | 230 V (Δ) / 400 V (Y) |
| Gabarit (Frame size) | 56 |
| Tip montaj | Flanșă Mare (B5) |
| Diametru ax | 9 mm |
| Randament (100% sarcină) | 52.6 % |
| Factor de putere | 0.67 |
| Grad de protecție | IP55 |
| Material carcasă | Aluminiu |
| Greutate (aproximativ) | 3.5 kg |
| Bobinaj | Cupru |
| Rulmenți (DE / NDE) | 6201-ZZ-C3 / 6201-ZZ-C3 |
Aplicații Recomandate Motor electric trifazat 0.09kw 3000rpm 56 B5
Datorită montajului B5 și puterii de 0.09 kW, acest motor este recomandat pentru:
-
Pompe de Dozare: Acționarea pompelor peristaltice sau cu membrană montate direct.
-
Ventilație Integrată: Ventilatoare axiale mici montate pe carcasă.
-
Reductoare: Cuplare directă pe reductoare melcate miniaturale.
-
Mixere de Laborator: Agitatoare montate vertical pe vase mici.
-
Automatizări: Mecanisme de poziționare sau benzi transportoare foarte ușoare.
Alegeți precizia montajului B5 și puterea de 0.09 kW. Contactați-ne pentru detalii!

