Motor electric trifazat 0.12kw 3000rpm 56 B3 aLL
Acest motor electric trifazat 0.12kw 3000rpm 56 B3 aLL este o unitate de antrenare compactă, proiectată pentru echipamentele care necesită o fixare mecanică solidă. Încadrat în Gabaritul 56, motorul este echipat cu tălpi de prindere (Montaj B3) turnate corp comun cu carcasa. Această configurație este superioară variantelor cu flanșă atunci când motorul trebuie montat pe un banc de lucru, pe un cadru metalic sau pe o fundație orizontală.
Cu o turație nominală de aproximativ 2800 rot/min (2 poli), acest motor este ideal pentru aplicații care necesită viteză, precum ventilatoarele sau micile polizoare. Construcția din Aluminiu menține greutatea redusă (~3.5 kg) și asigură disiparea căldurii, permițând funcționarea în regim continuu fără supraîncălzire.
Avantajele utilizării acestui motor electric trifazat 0.12kw 3000rpm 56 B3 aLL
-
Fixare Universală: Tălpile standardizate permit înlocuirea rapidă a oricărui motor de gabarit 56, asigurând alinierea corectă a axului cu sarcina, fie că este vorba de o curea de transmisie sau un cuplaj elastic.
-
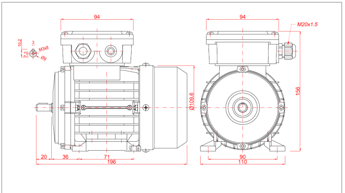
Ax Standard de 9 mm: Diametrul axului este calibrat pentru precizie, fiind compatibil cu majoritatea fuliilor mici și a elicelor de ventilator disponibile pe piață.
-
Putere pentru Automatizări: Cei 120W (0.12kW) oferă un cuplu de pornire superior motoarelor de 90W, fiind capabil să pună în mișcare benzi transportoare ușoare sau mecanisme cu inerție mică.
-
Fiabilitate Industrială: Bobinajul din Cupru și clasa de izolație F permit motorului să funcționeze stabil chiar și în medii cu temperaturi variabile.
-
Protecție la Mediu: Carcasa cu grad de protecție IP55 este etanșă la praf și rezistentă la stropire, protejând componentele interne în ateliere sau hale de producție.
Fișă Tehnică Motor electric trifazat 0.12kw 3000rpm 56 B3 aLL
Verificați distanța dintre găurile de prindere de pe tălpi pentru a asigura compatibilitatea!
| Specificație Tehnică | Valoare |
| Putere Nominală | 0.12 kW (120 W) |
| Turație (Nominală) | ~2800 rot/min (2 Poli) |
| Tip Montaj | B3 (Prindere pe Talpă) |
| Gabarit (Frame Size) | 56 |
| Diametru Ax | 9 mm |
| Înălțime Ax (de la sol) | 56 mm |
| Dimensiuni Prindere Tălpi | 90 mm x 71 mm (Lățime x Lungime) |
| Tensiune Alimentare | 230V (Triunghi) / 400V (Stea) |
| Curent Nominal (la 400V) | ~0.38 A |
| Cuplu Nominal | ~0.40 Nm |
| Material Carcasă | Aluminiu |
| Greutate | ~3.5 kg |
Aplicații Recomandate
Datorită construcției B3, acest motor este excelent pentru aplicații staționare:
-
Ventilație Industrială: Exhaustoare mici montate pe acoperiș sau pe cadru metalic.
-
Ateliere Mecanice: Acționarea polizoarelor de banc sau a mașinilor de ascuțit scule.
-
Transportoare: Benzi transportoare înguste pentru piese ușoare (plastic, farmaceutice).
-
Pompe de Recirculare: Pompe mici montate pe placă de bază, antrenate prin cuplaj elastic.
Notă Tehnică: Prinderea pe Talpă la Gabarit 56
Distanța dintre găurile de prindere pe lățime este de 90 mm, iar pe lungime de 71 mm.
Dacă motorul dumneavoastră vechi are alte cote, verificați dacă nu cumva aveți un Gabarit 63.

