Motor electric trifazat 0.12kw 3000rpm 56 B5 aLL
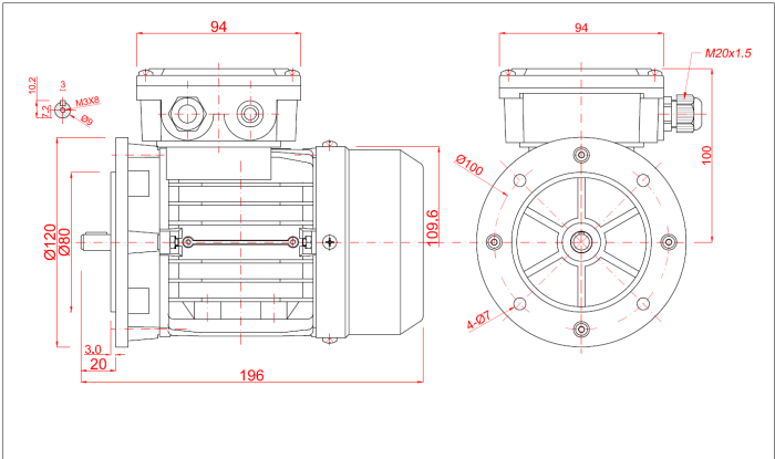
Acest motor electric trifazat 0.12kw 3000rpm 56 B5 aLL combină dimensiunile reduse ale Gabaritului 56 cu o suprafață de fixare generoasă, specifică montajului B5 (Flanșă Mare). Cu un diametru al flanșei de 120 mm (mult mai mare decât corpul propriu-zis al motorului), acest model este proiectat să ofere o rigiditate maximă la cuplare, fiind ideal pentru aplicațiile unde motorul susține greutatea unei elice sau este montat vertical pe un rezervor.
Dezvoltând o turație de lucru de 2770 rot/min (2 poli) și un cuplu de 0.41 Nm, motorul asigură antrenarea rapidă și precisă a sarcinilor ușoare. Construcția din aluminiu menține greutatea la doar 3.1 kg, facilitând integrarea în echipamente portabile sau suspendate fără a necesita suporți suplimentari.
De ce să alegeți varianta cu Flanșă Mare (B5)?
-
Cuplare „Heavy-Duty” la Scară Mică: Flanșa de 120 mm permite distribuirea forțelor mecanice pe o suprafață largă. Acest lucru reduce vibrațiile și protejează rulmenții axului de 9 mm, chiar și atunci când motorul antrenează sarcini dezechilibrate (ex: agitatoare).
-
Standard pentru Pompe și Reductoare: Este configurația standard pentru cuplarea pe reductoarele melcate mărimea 030 sau pe pompe chimice, unde etanșeitatea și alinierea coaxială sunt critice.
-
Performanță Optimizată: Cu o putere de 120W, oferă o rezervă de putere cu 30% mai mare față de varianta de 90W în același gabarit, asigurând pornirea sigură a ventilatoarelor cu inerție mare.
-
Construcție Durabilă: Bobinajul din Cupru și protecția IP55 (împotriva prafului și a jeturilor de apă) garantează o durată de viață lungă, chiar și în medii industriale solicitante.
-
Design Compact: În ciuda flanșei mari, corpul motorului rămâne compact, permițând instalarea în spații înguste.
Fișă Tehnică Motor electric trifazat 0.12kw 3000rpm 56 B5 aLL
Atenție la diametrul flanșei! B5 (120mm) este diferit de B14 (80mm). Verificați înainte de comandă.
| Specificație Tehnică | Valoare |
| Putere Nominală | 0.12 kW (120 W) |
| Turație (Nominală) | 2770 rot/min (2 Poli) |
| Tip Montaj | B5 (Flanșă Mare) |
| Gabarit (Frame Size) | 56 |
| Diametru Ax | 9 mm |
| Diametru Flanșă (Exterior) | 120 mm |
| Diametru Cerc Găuri (PCD) | 100 mm |
| Tensiune Alimentare | 230V (Triunghi) / 400V (Stea) |
| Curent Nominal (la 400V) | 0.60 A |
| Cuplu Nominal | 0.41 Nm |
| Material Carcasă | Aluminiu |
| Greutate | ~3.1 kg |
Aplicații Recomandate Motor electric trifazat 0.12kw 3000rpm 56 B5 aLL
Datorită flanșei supradimensionate, acest motor este excelent pentru:
-
Agitatoare și Mixere: Montare verticală pe capacul rezervoarelor mici de laborator sau din industria alimentară.
-
Ventilație Axială: Fixarea directă pe carcasa ventilatoarelor tubulare, unde motorul stă în fluxul de aer.
-
Dozare și Ambalare: Acționarea mecanismelor de dozare pulberi sau lichide.
-
Reductoare Mecanice: Motorizare pentru reductoare mici care necesită intrare B5.
Notă Tehnică: Identificarea Corectă B5
La Gabaritul 56, flanșa B5 are un diametru exterior de 120 mm și găuri de prindere nefiletate (trecătoare).
Dacă flanșa dumneavoastră are doar 80 mm și găuri filetate, aveți nevoie de varianta B14.

