Motor electric trifazat 0.37kw 3000rpm 63 B14
Acest motor electric trifazat de () oferă performanță optimă într-un format compact, fiind ideal pentru aplicațiile care necesită cuplu constant și montaj direct pe utilaj. Construit pe un șasiu de Gabarit 63 din Aluminiu, motorul este ușor și disipă eficient căldura.
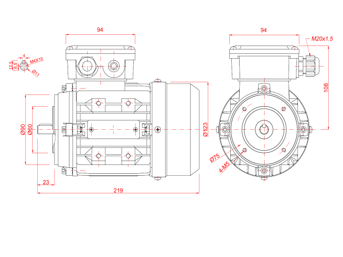
Sistemul de montaj pe flanșă mică (B14) permite fixarea rigidă pe pompe, ventilatoare sau reductoare, economisind spațiu valoros. Motorul livrează un cuplu solid de la o turație de , asigurând fiabilitate în regim de funcționare continuu.
Caracteristici Cheie Motor electric trifazat 0.37kw 3000rpm 63 B14
-
Cuplu Puternic: Cuplul nominal de asigură pornirea sigură și operarea stabilă a sarcinilor medii-ușoare.
-
Montaj Compact B14: Flanșa standardizată facilitează integrarea „invizibilă” în utilaje, eliminând necesitatea cadrelor de suport voluminoase.
-
Putere Versatilă (): disponibili constant, perfecți pentru acționarea pompelor de dozare, ventilatoarelor și benzilor transportoare mici.
-
Eficiență Standard (IE1): Randamentul de depășește media clasei pentru această putere, oferind un consum optimizat.
-
Construcție Durabilă: Carcasa din aluminiu și bobinajul din Cupru 100% garantează longevitatea motorului.
-
Fiabilitate: Protecție (praf/apă) și senzori termici incluși standard.
Specificații Tehnice Motor electric trifazat 0.37kw 3000rpm 63 B14
Aplicații Recomandate Motor electric trifazat 0.37kw 3000rpm 63 B14
Datorită flanșei B14 și puterii de , acest motor este recomandat pentru:
-
Pompe de Dozare: Acționarea precisă a pompelor cu membrană sau peristaltice.
-
Ventilație Integrată: Ventilatoare axiale montate direct pe carcasă.
-
Reductoare: Cuplare directă pe reductoare melcate compacte.
-
Automatizări: Benzi transportoare pentru produse ușoare, sisteme de etichetare.
-
Agitatoare: Mixere mici pentru laboratoare sau industria alimentară.
Alegeți performanța de și montajul compact B14. Contactați-ne pentru detalii!

